Fussnoten:
(+++ Textnachweis ab: 1.1.1982 +++)
(+++ Maßgaben aufgrund des EinigVtr vgl. EBO Anhang EV +++)
Überschrift: V gilt auch in Berlin gem. V 930-1-2 v. 15.11.1984 I 1369
|
 |
|
Erster Abschnitt
|
|
Allgemeines
|
| Geltungsbereich
|
§ 1
|
| Allgemeine Anforderungen
|
§ 2
|
| Ausnahmen, Genehmigungen
|
§ 3
|
| Grenzbetriebsstrecken und Durchgangsstrecken
|
§ 3a
|
|
Zweiter Abschnitt
|
|
Bahnanlagen
|
| Begriffserklärungen
|
§ 4
|
| Spurweite
|
§ 5
|
| Gleisbogen
|
§ 6
|
| Gleisneigung
|
§ 7
|
| Belastbarkeit des Oberbaus und der Bauwerke
|
§ 8
|
| Regellichtraum
|
§ 9
|
| Gleisabstand
|
§ 10
|
| Bahnübergänge
|
§ 11
|
| Höhengleiche Kreuzungen von Schienenbahnen
|
§ 12
|
| Bahnsteige, Rampen
|
§ 13
|
| Signale und Weichen
|
§ 14
|
| Streckenblock, Zugbeeinflussung
|
§ 15
|
| Fernmeldeanlagen
|
§ 16
|
| Untersuchen und Überwachen der Bahnanlagen
|
§ 17
|
|
Dritter Abschnitt
|
|
Fahrzeuge
|
| Einteilung, Begriffserklärungen
|
§ 18
|
| Radsatzlasten und Fahrzeuggewichte je Längeneinheit
|
§ 19
|
| Radsatzabstand und Bogenlauf
|
§ 20
|
| Räder und Radsätze
|
§ 21
|
| Begrenzung der Fahrzeuge
|
§ 22
|
| Bremsen
|
§ 23
|
| Zug- und Stoßeinrichtungen
|
§ 24
|
| Freie Räume und Bauteile an den Fahrzeugenden
|
§ 25
|
| (weggefallen)
|
§ 26
|
| (weggefallen)
|
§ 27
|
| Ausrüstung und Anschriften
|
§ 28
|
| (weggefallen)
|
§§ 29 bis 31
|
| Abnahme und Untersuchung der Fahrzeuge
|
§ 32
|
| Überwachungsbedürftige Anlagen der Fahrzeuge
|
§ 33
|
|
Vierter Abschnitt
|
|
Bahnbetrieb
|
| Begriff, Art und Länge der Züge
|
§ 34
|
| Bremsen der Züge
|
§ 35
|
| Zusammenstellen der Züge
|
§ 36
|
| Ausrüsten der Züge mit Mitteln zur ersten Hilfeleistung
|
§ 37
|
| Fahrordnung
|
§ 38
|
| Zugfolge
|
§ 39
|
| Fahrgeschwindigkeit
|
§ 40
|
| (weggefallen)
|
§ 41
|
| Rangieren, Hemmschuhe
|
§ 42
|
| Sichern stillstehender Fahrzeuge
|
§ 43
|
| (weggefallen)
|
§ 44
|
| Besetzen der Triebfahrzeuge und Züge
|
§ 45
|
| (weggefallen)
|
§ 46
|
|
Fünfter Abschnitt
|
|
Personal
|
| Betriebsbeamte
|
§ 47
|
| Anforderungen an Betriebsbeamte
|
§ 48
|
| (weggefallen)
|
§§ 49 bis 53
|
| Ausbildung, Prüfung
|
§ 54
|
|
Sechster Abschnitt
|
|
Sicherheit und Ordnung auf dem Gebiet der Bahnanlagen
|
| (weggefallen)
|
§§ 55 bis 61
|
| Betreten und Benutzen der Bahnanlagen und Fahrzeuge
|
§ 62
|
| Verhalten auf dem Gebiet der Bahnanlagen
|
§ 63
|
| Beschädigen der Bahn und betriebsstörende Handlungen
|
§ 64
|
| Eisenbahnbedienstete
|
§ 64a
|
| Ordnungswidrigkeiten
|
§ 64b
|
|
Siebter Abschnitt
|
|
Schlußbestimmungen
|
| Übergangsregelung
|
§ 65
|
| Inkrafttreten
|
§ 66
|
|
Anlagen
|
| 1
|
Regellichtraum
|
| 2
|
Ermittlung der Grenzlinie
|
| 3
|
Ermittlung der Grenzlinie bei Oberleitung
|
| 4
|
Gleisabstand
|
| 5
|
-
|
| 6
|
Räder und Radsätze
|
| 7
|
Bezugslinie G1
|
| 8
|
Bezugslinie G2
|
| 9
|
Einschränkung der Fahrzeugmaße
|
| 10
|
Zug- und Stoßeinrichtungen
|
| 11
|
Freizuhaltende Räume an den Fahrzeugenden
|
Auf Grund des § 3 Abs. 1 des Allgemeinen Eisenbahngesetzes vom 29. März 1951 (Bundesgesetzbl. I S. 225), geändert durch das Gesetz vom 1. August 1961 (Bundesgesetzbl. I S. 1161), in Verbindung mit § 1 der Verordnung über die Ermächtigung des Bundesministers für Verkehr zum Erlaß von Rechtsverordnungen auf dem Gebiet des Eisenbahnwesens vom 28. September 1955 (Bundesgesetzbl. I S. 654) wird mit Zustimmung des Bundesrates verordnet:
(1) Diese Verordnung gilt für regelspurige Eisenbahnen. Sie gilt nicht für den Bau, den Betrieb oder die Benutzung der Bahnanlagen eines nichtöffentlichen Eisenbahninfrastrukturunternehmens.
(2) Die Strecken werden entsprechend ihrer Bedeutung nach Hauptbahnen und Nebenbahnen unterschieden. Die Entscheidung darüber, welche Strecken Hauptbahnen und welche Nebenbahnen sind, treffen
- 1.
für die Eisenbahnen des Bundes das jeweilige Unternehmen,
- 2.
für Eisenbahnen, die nicht zum Netz der Eisenbahnen des Bundes gehören (nichtbundeseigene Eisenbahnen), die zuständige Landesbehörde.
(3) Die in voller Breite einer Seite gedruckten Vorschriften dieser Verordnung gelten für Haupt- und Nebenbahnen,
| die auf der linken Hälfte einer Seite nur für Hauptbahnen.
|
die auf der rechten Hälfte einer Seite nur für Nebenbahnen.
|
(4) Die Vorschriften für Neubauten gelten auch für umfassende Umbauten bestehender Bahnanlagen und Fahrzeuge; sie sollen auch bei der Unterhaltung und Erneuerung berücksichtigt werden.
(1) Bahnanlagen und Fahrzeuge müssen so beschaffen sein, daß sie den Anforderungen der Sicherheit und Ordnung genügen. Diese Anforderungen gelten als erfüllt, wenn die Bahnanlagen und Fahrzeuge den Vorschriften dieser Verordnung und, soweit diese keine ausdrücklichen Vorschriften enthält, anerkannten Regeln der Technik entsprechen.
(2) Von den anerkannten Regeln der Technik darf abgewichen werden, wenn mindestens die gleiche Sicherheit wie bei Beachtung dieser Regeln nachgewiesen ist.
(3) Die Vorschriften dieser Verordnung sind so anzuwenden, daß die Benutzung der Bahnanlagen und Fahrzeuge durch behinderte Menschen und alte Menschen sowie Kinder und sonstige Personen mit Nutzungsschwierigkeiten ohne besondere Erschwernis ermöglicht wird. Die Eisenbahnen sind verpflichtet, zu diesem Zweck Programme zur Gestaltung von Bahnanlagen und Fahrzeugen zu erstellen, mit dem Ziel, eine möglichst weitreichende Barrierefreiheit für deren Nutzung zu erreichen. Dies schließt die Aufstellung eines Betriebsprogramms mit den entsprechenden Fahrzeugen ein, deren Einstellung in den jeweiligen Zug bekannt zu machen ist. Die Aufstellung der Programme erfolgt nach Anhörung der Spitzenorganisationen von Verbänden, die nach § 15 Absatz 3 des Behindertengleichstellungsgesetzes anerkannt sind. Die Eisenbahnen übersenden die Programme über ihre Aufsichtsbehörden an das für das Zielvereinbarungsregister zuständige Bundesministerium. Die zuständigen Aufsichtsbehörden können von den Sätzen 2 und 3 Ausnahmen zulassen.
(4) Anweisungen zur ordnungsgemäßen Erstellung und Unterhaltung der Bahnanlagen und Fahrzeuge sowie zur Durchführung des sicheren Betriebs können erlassen
- 1.
für die Eisenbahnen des Bundes und für Eisenbahnverkehrsunternehmen mit Sitz im Ausland das Eisenbahn-Bundesamt,
- 2.
für die nichtbundeseigenen Eisenbahnen die zuständige Landesbehörde.
(1) Ausnahmen können zulassen
- 1.
von allen Vorschriften dieser Verordnung zur Berücksichtigung besonderer Verhältnisse
- a)
für Eisenbahnen des Bundes sowie für Eisenbahnverkehrsunternehmen mit Sitz im Ausland das Bundesministerium für Verkehr und digitale Infrastruktur; die zuständigen Landesbehörden sind zu unterrichten, wenn die Einheit des Eisenbahnwesens berührt wird;
- b)
für die nichtbundeseigenen Eisenbahnen die zuständige Landesbehörde im Benehmen mit dem Bundesministerium für Verkehr und digitale Infrastruktur,
- 2.
im übrigen, soweit Ausnahmen in den Vorschriften dieser Verordnung unter Hinweis auf diesen Absatz ausdrücklich vorgesehen sind,
- a)
für Eisenbahnen des Bundes sowie für Eisenbahnverkehrsunternehmen mit Sitz im Ausland das Eisenbahn-Bundesamt,
- b)
für die nichtbundeseigenen Eisenbahnen die zuständige Aufsichtsbehörde.
(2) Genehmigungen, die in den Vorschriften dieser Verordnung unter Hinweis auf diesen Absatz vorgesehen sind, erteilen
- 1.
für Eisenbahnen des Bundes sowie für Eisenbahnverkehrsunternehmen mit Sitz im Ausland das Eisenbahn-Bundesamt,
- 2.
für die nichtbundeseigenen Eisenbahnen die zuständige Landesbehörde.
(1) Auf Grenzbetriebsstrecken und Durchgangsstrecken dürfen anstelle der Vorschriften des zweiten bis fünften Abschnitts mit Ausnahme des § 11 die entsprechenden Vorschriften des Nachbarstaates angewendet werden.
(2) Zur Gewährleistung eines sicheren und flüssigen Eisenbahnbetriebs auf Grenzbetriebsstrecken und Durchgangsstrecken kann das Eisenbahninfrastrukturunternehmen neben Deutsch die Betriebssprache des angrenzenden ausländischen Eisenbahninfrastrukturunternehmens als zweite Betriebssprache zulassen.
(3) Auf Grenzbetriebsstrecken und Durchgangsstrecken, auf denen das Eisenbahninfrastrukturunternehmen neben Deutsch eine zweite Betriebssprache zugelassen hat, müssen sich die Fahrdienstleiter in Deutsch und in der zweiten zugelassenen Betriebssprache jeweils auf dem Niveau B 1 des Gemeinsamen europäischen Referenzrahmens für Sprachen*) mündlich und schriftlich verständigen können.
(4) Auf Grenzbetriebsstrecken und Durchgangsstrecken können abweichend von Absatz 3 die bis zum Ablauf des 2. Dezember 2015 bestehenden örtlichen, zwischen den Eisenbahnen, den zuständigen Behörden oder den Staaten abgeschlossenen Vereinbarungen zur Nutzung der Sprache eines Nachbarstaates weiter angewendet werden.
* Amtlicher Hinweis: Dieser Referenzrahmen ist erschienen unter dem Titel „Gemeinsamer europäischer Referenzrahmen für Sprachen: lernen, lehren, beurteilen“, 2013, Klett-Langenscheidt Verlag, München.
(1) Bahnanlagen sind alle Grundstücke, Bauwerke und sonstigen Einrichtungen einer Eisenbahn, die unter Berücksichtigung der örtlichen Verhältnisse zur Abwicklung oder Sicherung des Reise- oder Güterverkehrs auf der Schiene erforderlich sind. Dazu gehören auch Nebenbetriebsanlagen sowie sonstige Anlagen einer Eisenbahn, die das Be- und Entladen sowie den Zu- und Abgang ermöglichen oder fördern. Es gibt Bahnanlagen der Bahnhöfe, der freien Strecke und sonstige Bahnanlagen. Fahrzeuge gehören nicht zu den Bahnanlagen.
(2) Bahnhöfe sind Bahnanlagen mit mindestens einer Weiche, wo Züge beginnen, enden, ausweichen oder wenden dürfen. Als Grenze zwischen den Bahnhöfen und der freien Strecke gelten im allgemeinen die Einfahrsignale oder Trapeztafeln, sonst die Einfahrweichen.
(3) Blockstrecken sind Gleisabschnitte, in die ein Zug nur einfahren darf, wenn sie frei von Fahrzeugen sind.
(4) Blockstellen sind Bahnanlagen, die eine Blockstrecke begrenzen. Eine Blockstelle kann zugleich als Bahnhof, Abzweigstelle, Überleitstelle, Anschlußstelle, Haltepunkt, Haltestelle oder Deckungsstelle eingerichtet sein.
(5) Abzweigstellen sind Blockstellen der freien Strecke, wo Züge von einer Strecke auf eine andere Strecke übergehen können.
(6) Überleitstellen sind Blockstellen der freien Strecke, wo Züge auf ein anderes Gleis derselben Strecke übergehen können.
(7) Anschlußstellen sind Bahnanlagen der freien Strecke, wo Züge ein angeschlossenes Gleis als Rangierfahrt befahren können, ohne daß die Blockstrecke für einen anderen Zug freigegeben wird. Ausweichanschlußstellen sind Anschlußstellen, bei denen die Blockstrecke für einen anderen Zug freigegeben werden kann.
(8) Haltepunkte sind Bahnanlagen ohne Weichen, wo Züge planmäßig halten, beginnen oder enden dürfen.
(9) Haltestellen sind Abzweigstellen oder Anschlußstellen, die mit einem Haltepunkt örtlich verbunden sind.
(10) Deckungsstellen sind Bahnanlagen der freien Strecke, die den Bahnbetrieb insbesondere an beweglichen Brücken, Kreuzungen von Bahnen, Gleisverschlingungen und Baustellen sichern.
(11) Hauptgleise sind die von Zügen planmäßig befahrenen Gleise. Durchgehende Hauptgleise sind die Hauptgleise der freien Strecke und ihre Fortsetzung in den Bahnhöfen. Alle übrigen Gleise sind Nebengleise.
(1) Die Spurweite ist der kleinste Abstand der Innenflächen der Schienenköpfe im Bereich von 0 bis 14 mm unter Schienenoberkante (SO).
(2) Das Grundmaß der Spurweite beträgt 1.435 mm.
(3) Die Spurweite darf nicht größer sein als
| 1.465 mm in Hauptgleisen,
|
1.470 mm;
|
| 1.470 mm in Nebengleisen;
|
|
sie darf nicht kleiner sein als 1.430 mm.
(4) In Bogen mit Radien unter 175 m darf die Spurweite folgende Werte nicht unterschreiten:
| Bogenradien
|
Spurweite
|
| m
|
mm
|
| unter 175 bis 150
|
1.435
|
| unter 150 bis 125
|
1.440
|
| unter 125 bis 100
|
1.445
|
(1) Der Bogenradius in durchgehenden Hauptgleisen soll bei Neubauten nicht weniger als
betragen.
(2) Die Richtung durchgehender Hauptgleise darf sich in der Regel nur stetig ändern. Wo erforderlich, sind Übergangsbogen anzulegen.
(3) In den Bogen der durchgehenden Hauptgleise muß in der Regel die äußere Schiene höher liegen als die innere (Überhöhung). Die Überhöhung ist in Abhängigkeit von der Beschaffenheit des Oberbaus, von der Bauart der Fahrzeuge sowie von der Ladung und deren Sicherung festzulegen; sie darf unter Einbeziehung der sich im Betrieb einstellenden Abweichungen 180 mm nicht überschreiten.
(4) Jede Änderung der Überhöhung ist durch eine Überhöhungsrampe zu vermitteln, deren Neigung nicht größer sein darf als
(1) Die Längsneigung auf freier Strecke soll bei Neubauten
nicht überschreiten.
(2) Die Längsneigung von Bahnhofsgleisen, ausgenommen Rangiergleise und solche Bahnhofsgleise, in denen die Güterzüge durch Schwerkraft aufgelöst oder gebildet werden, soll bei Neubauten 2,5v.T. nicht überschreiten.
(3) Neigungswechsel in Hauptgleisen sind auszurunden.
(1) Oberbau und Bauwerke müssen Fahrzeuge mit der jeweils zugelassenen Radsatzlast und dem jeweils zugelassenen Fahrzeuggewicht je Längeneinheit bei der zugelassenen Geschwindigkeit aufnehmen können, mindestens aber Fahrzeuge
| mit einer Radsatzlast von 18 t und einem Fahrzeuggewicht je Längeneinheit von 5,6t/m.
|
mit einer Radsatzlast von 16 t und einem Fahrzeuggewicht je Längeneinheit von 4,5 t/m. Ausnahmen von diesen Mindestwerten sind zulässig (§ 3 Abs. 1 Nr. 2).
|
(2) Der Oberbau muß beim Neubau und bei der Erneuerung zusammenhängender Gleisabschnitte so hergestellt werden, daß er Radsatzlasten von
| mindestens 20 t
|
möglichst 18 t
|
aufnehmen kann.
(3) Bauwerke müssen beim Neubau und bei der Erneuerung mindestens für Radsatzlasten von 25 t und für Fahrzeuggewichte je Längeneinheit von 8 t/m bemessen werden. Bauwerke unter Gleisen, auf denen ausschließlich Stadtschnellbahnen verkehren, dürfen für geringere Lasten bemessen werden, mindestens jedoch für Radsatzlasten von 20 t und für Fahrzeuggewichte je Längeneinheit von 6 t/m.
(1) Der Regellichtraum ist der zu jedem Gleis gehörende, in der Anlage 1 dargestellte Raum. Der Regellichtraum setzt sich zusammen aus dem von der jeweiligen Grenzlinie umschlossenen Raum und zusätzlichen Räumen für bauliche und betriebliche Zwecke.
(2) Die Grenzlinie umschließt den Raum, den ein Fahrzeug unter Berücksichtigung der horizontalen und vertikalen Bewegungen sowie der Gleislagetoleranzen und der Mindestabstände von der Oberleitung benötigt. Die Maße der Grenzlinie sind nach den Anlagen 2 und 3 zu berechnen.
(3) In die in Anlage 1 gekennzeichneten Bereiche des Regellichtraums (Bild 1 Bereiche A und B) und in den Raum für das Durchrollen der Räder (Bild 2 Bereich C) dürfen feste Gegenstände unter den dort genannten Bedingungen hineinragen; bestehende Eintragungen in den Regellichtraum dürfen beibehalten werden. Der von der Grenzlinie umschlossene Raum ist jedoch freizuhalten; das gilt nicht für Gleise mit Einrichtungen zum Reinigen und Instandsetzen von Fahrzeugen, sofern die Gleise nur für diese Zwecke benutzt werden.
(4) Bei Gleisen mit Stromschiene ist beiderseits ein Raum für den Durchgang der Stromabnehmer freizuhalten, dessen Größe sich nach den örtlichen und betrieblichen Verhältnissen richtet.
(5) Die Oberleitung darf in den von der Grenzlinie umschlossenen Raum hineinragen; dies gilt auch für die Stromschiene. Für den Fahrdraht gelten die Mindesthöhen nach Anlage 3 Nr. 3; Ausnahmen sind zulässig (§ 3 Abs. 1 Nr. 2).
(1) Der Gleisabstand ist der Abstand von Mitte zu Mitte benachbarter Gleise; er muß mindestens den in der Anlage 4 Nr. 1 oder 2 genannten Maßen entsprechen.
(2) Auf der freien Strecke muß bei Neubauten und umfassenden Umbauten der Gleisabstand mindestens 4,00 m betragen; bei Gleisen, auf denen ausschließlich Stadtschnellbahnen verkehren, ist eine Verringerung des Gleisabstandes bis auf 3,80 m zulässig. Bestehende Gleisabstände von 4,00 m - bei Stadtschnellbahnen von 3,80 m - und weniger dürfen nicht verringert werden.
(3) In Bahnhöfen muß der Gleisabstand - außer bei Überladegleisen - mindestens 4,00 m, bei Neubauten mindestens 4,50 m betragen. Bestehende Gleisabstände von 4,50 m und weniger dürfen nicht verringert werden; Ausnahmen sind zulässig (§ 3 Abs. 1 Nr. 2). Durchgehende Hauptgleise ohne Zwischenbahnsteig dürfen im Gleisabstand der freien Strecke durch den Bahnhof geführt werden. Wird der Gleisabstand der freien Strecke vergrößert, so darf der Gleisabstand im Bahnhof bis zum Umbau der Gleisanlagen bestehen bleiben.
(4) Die in den Absätzen 2 und 3 genannten Gleisabstände müssen bei Gleisen mit Radien unter 250 m nach Anlage 4 Nr. 3 vergrößert werden.
(5) Für die Dauer von Bauarbeiten darf der Gleisabstand auf die in der Anlage 4 Nr. 1 oder 2 genannten Maße verringert werden, wenn die notwendigen Sicherheitsmaßnahmen getroffen sind.
(1) Bahnübergänge sind höhengleiche Kreuzungen von Eisenbahnen mit Straßen, Wegen und Plätzen. Übergänge, die nur dem innerdienstlichen Verkehr dienen, und Übergänge für Reisende gelten nicht als Bahnübergänge.
| (2) Auf Strecken mit einer zugelassenen Geschwindigkeit von mehr als 160 km/h sind Bahnübergänge unzulässig.
|
|
(3) Auf Bahnübergängen hat der Eisenbahnverkehr Vorrang vor dem Straßenverkehr. Der Vorrang ist durch Aufstellen von Andreaskreuzen (Anlage 5 Bild 1) zu kennzeichnen. Dies ist nicht erforderlich an Bahnübergängen von
- 1.
Feld- und Waldwegen, wenn die Bahnübergänge ausreichend erkennbar sind,
- 2.
Fußwegen,
- 3.
Privatwegen ohne öffentlichen Verkehr, die als solche gekennzeichnet sind,
- 4.
anderen Straßen und Wegen über Nebengleise, wenn die Bahnübergänge für das Befahren mit Eisenbahnfahrzeugen durch Posten vom Straßenverkehr freigehalten werden.
(4) Die Andreaskreuze sind an den Stellen anzubringen, vor denen Straßenfahrzeuge und Tiere angehalten werden müssen, wenn der Bahnübergang nicht überquert werden darf.
(5) An Bahnübergängen in Hafen- und Industriegebieten darf auf das Aufstellen von Andreaskreuzen verzichtet werden, wenn an den Einfahrten Andreaskreuze mit dem Zusatzschild "Hafengebiet, Schienenfahrzeuge haben Vorrang" oder "Industriegebiet, Schienenfahrzeuge haben Vorrang" angebracht sind. Dies gilt nicht für Bahnübergänge, die nach Absatz 6 technisch gesichert sind.
(6) Bahnübergänge sind durch
- 1.
Lichtzeichen (Anlage 5 Bild 2) oder Blinklichter (Anlage 5 Bild 4) oder
- 2.
Lichtzeichen mit Halbschranken (Anlage 5 Bild 3) oder Blinklichter mit Halbschranken (Anlage 5 Bild 5) oder
- 3.
Lichtzeichen mit Schranken (Anlage 5 Bild 3) oder
- 4.
Schranken
technisch zu sichern, soweit nachstehend keine andere Sicherung zugelassen ist. Als neue technische Sicherungen sollen Blinklichter und Blinklichter mit Halbschranken nicht mehr verwendet werden.
| |
(7) Bahnübergänge dürfen gesichert werden
- 1.
bei schwachem Verkehr (Absatz 13) durch die Übersicht auf die Bahnstrecke (Absatz 12) oder bei fehlender Übersicht auf die Bahnstrecke an eingleisigen Bahnen durch hörbare Signale der Eisenbahnfahrzeuge (Absatz 18), wenn die Geschwindigkeit der Eisenbahnfahrzeuge am Bahnübergang höchstens 20 km/h - an Bahnübergängen von Feld- und Waldwegen höchstens 60 km/h - beträgt;
- 2.
bei mäßigem Verkehr (Absatz 13) und eingleisigen Bahnen durch die Übersicht auf die Bahnstrecke in Verbindung mit hörbaren Signalen der Eisenbahnfahrzeuge (Absatz 18) oder bei fehlender Übersicht auf die Bahnstrecke - mit besonderer Genehmigung (§ 3 Abs. 2) - durch hörbare Signale der Eisenbahnfahrzeuge, wenn die Geschwindigkeit der Eisenbahnfahrzeuge am Bahnübergang höchstens 20 km/h - an Bahnübergängen von Feld- und Waldwegen höchstens 60 km/h - beträgt.
|
| (8) Bahnübergänge über Nebengleise dürfen wie Bahnübergänge über Nebenbahnen (Absatz 7) gesichert werden.
|
|
(9) Bahnübergänge von Fuß- und Radwegen dürfen durch die Übersicht auf die Bahnstrecke (Absatz 12) oder durch hörbare Signale der Eisenbahnfahrzeuge (Absatz 18) gesichert werden. Außerdem
Umlaufsperren oder ähnlich wirkende Einrichtungen angebracht sein.
(10) Bahnübergänge von Privatwegen
ohne öffentlichen Verkehr, die als solche gekennzeichnet sind, dürfen gesichert werden bei einer Geschwindigkeit der Eisenbahnfahrzeuge am Bahnübergang von höchstens 140 km/h
- a)
durch die Übersicht auf die Bahnstrecke (Absatz 12) und Abschlüsse oder
- b)
durch Abschlüsse in Verbindung mit einer Sprechanlage zum zuständigen Betriebsbeamten.
|
- 1.
ohne öffentlichen Verkehr, die als solche gekennzeichnet sind, dürfen gesichert werden
- a)
durch die Übersicht auf die Bahnstrecke (Absatz 12) oder
- b)
durch hörbare Signale der Eisenbahnfahrzeuge (Absatz 18), wenn ihre Geschwindigkeit am Bahnübergang höchstens 60 km/h beträgt, oder
- c)
durch Abschlüsse in Verbindung mit einer Sprechanlage zum zuständigen Betriebsbeamten oder
- d)
- mit besonderer Genehmigung (§ 3 Abs. 2) - durch Abschlüsse;
- 2.
mit öffentlichem Verkehr in Hafen - und Industriegebieten dürfen bei schwachem und mäßigem Verkehr (Absatz 13) gesichert werden
- a)
durch die Übersicht oder
- b)
durch Abschlüsse, wenn die Geschwindigkeit der Eisenbahnfahrzeuge am Bahnübergang höchstens 20 km/h beträgt.
|
Abschlüsse (z. B. Sperrbalken, Tore) sind von demjenigen, dem die Verkehrssicherungspflicht obliegt, verschlossen, mit besonderer Genehmigung (§ 3 Abs. 2) nur geschlossen zu halten.
(11) Eine Sicherung nach den Absätzen 6 bis 10 ist nicht erforderlich, wenn der Bahnübergang durch Posten gesichert wird. Der Posten hat die Wegebenutzer so lange durch Zeichen anzuhalten, bis das erste Eisenbahnfahrzeug etwa die Straßenmitte erreicht hat.
(12) Die Übersicht auf die Bahnstrecke ist vorhanden, wenn die Wegebenutzer bei richtigem Verhalten auf Grund der Sichtverhältnisse die Bahnstrecke so weit und in einem solchen Abstand übersehen können, daß sie bei Anwendung der im Verkehr erforderlichen Sorgfalt den Bahnübergang ungefährdet überqueren oder vor ihm anhalten können.
(13) Bahnübergänge haben
- 1.
schwachen Verkehr, wenn sie neben anderem Verkehr in der Regel innerhalb eines Tages von höchstens 100 Kraftfahrzeugen überquert werden,
- 2.
mäßigen Verkehr, wenn sie neben anderem Verkehr in der Regel innerhalb eines Tages von mehr als 100 bis zu 2.500 Kraftfahrzeugen überquert werden,
- 3.
starken Verkehr, wenn sie neben anderem Verkehr in der Regel innerhalb eines Tages von mehr als 2.500 Kraftfahrzeugen überquert werden.
(14) Weisen Bahnübergänge während bestimmter Jahreszeiten oder an bestimmten Tagen abweichend von der Einstufung nach Absatz 13 eine höhere Verkehrsstärke auf, so müssen sie, haben sie eine niedrigere Verkehrsstärke, so dürfen sie während dieser Zeiten entsprechend gesichert werden.
(15) Das Schließen der Schranken - ausgenommen Anrufschranken (Absatz 17) - ist auf den Straßenverkehr abzustimmen
- 1.
durch Lichtzeichen oder
- 2.
durch mittelbare oder unmittelbare Sicht des Schrankenwärters oder
- 3.
bei schwachem oder mäßigem Verkehr durch hörbare Zeichen.
(16) Bahnübergänge mit Schranken - ausgenommen Anrufschranken (Absatz 17) und Schranken an Fuß- und Radwegen - müssen von der Bedienungsstelle aus mittelbar oder unmittelbar eingesehen werden können. Dies ist nicht erforderlich, wenn das Schließen der Schranken durch Lichtzeichen auf den Straßenverkehr abgestimmt und das Freisein des Bahnüberganges durch technische Einrichtungen festgestellt wird.
(17) Anrufschranken sind Schranken, die ständig oder während bestimmter Zeiten geschlossen gehalten und auf Verlangen des Wegebenutzers, wenn dies ohne Gefahr möglich ist, geöffnet werden. Anrufschranken sind mit einer Sprechanlage auszurüsten, wenn der Schrankenwärter den Bahnübergang von der Bedienungsstelle aus nicht einsehen kann.
(18) Vor Bahnübergängen, vor denen nach den Absätzen 7 bis 10 hörbare Signale der Eisenbahnfahrzeuge gegeben werden müssen, sind Signaltafeln aufzustellen.
(19) Ein Bahnübergang, dessen technische Sicherung ausgefallen ist, muß - außer bei Hilfszügen nach § 40 Abs. 6 - durch Posten nach Absatz 11 gesichert werden. Ein Zug, der mit dem Triebfahrzeugführer allein besetzt ist, darf, nachdem er angehalten hat und die Wegebenutzer durch Achtung-Signal gewarnt sind, den Bahnübergang ohne Sicherung durch Posten befahren.
(1) Neue höhengleiche Kreuzungen von Schienenbahnen dürfen außerhalb der Bahnhöfe oder der Hauptsignale von Abzweigstellen nicht angelegt werden. Für vorübergehend anzulegende Kreuzungen sind Ausnahmen zulässig (§ 3 Abs. 1 Nr. 2).
(2) Wie bei höhengleichen Kreuzungen von Schienenbahnen der Betrieb zu führen ist, bestimmen
- 1.
für Eisenbahnen des Bundes das Eisenbahn-Bundesamt,
- 2.
für die nichtbundeseigenen Eisenbahnen die zuständige Landesbehörde.
(1) Bei Neubauten oder umfassenden Umbauten von Personenbahnsteigen sollen in der Regel die Bahnsteigkanten auf eine Höhe von 0,76 m über Schienenoberkante gelegt werden; Höhen von unter 0,38 m und über 0,96 m sind unzulässig. Bahnsteige, an denen ausschließlich Stadtschnellbahnen halten, sollen auf eine Höhe von 0,96 m über Schienenoberkante gelegt werden. In Gleisbogen ist auf die Überhöhung Rücksicht zu nehmen.
(2) Feste Gegenstände auf Personenbahnsteigen (Säulen und dergleichen) müssen bis zu einer Höhe von 3,05 m über Schienenoberkante mindestens 3,00 m von Gleismitte entfernt sein. Bei bestehenden Anlagen mit geringem Verkehr darf das Maß von 3,00 m bis auf 2,70 m unterschritten werden; Ausnahmen von diesem Mindestmaß sind zulässig (§ 3 Abs. 1 Nr. 2).
| (3) Auf Bahnsteigen an Gleisen, die mit einer Geschwindigkeit von mehr als 160 km/h befahren werden, sind die bei Durchfahrten freizuhaltenden Flächen zu kennzeichnen; bei mehr als 200 km/h sind Vorkehrungen zu treffen, daß sich keine Reisenden im Gefahrenbereich auf den Bahnsteigen aufhalten.
|
|
(4) Für den Schutz der Reisenden, die Übergänge (§ 11 Abs. 1 Satz 2) überschreiten müssen, ist zu sorgen.
| Bei Gleisen, die mit einer Geschwindigkeit von mehr als 160 km/h befahren werden, sind Übergänge unzulässig.
|
|
(5) Seitenrampen, an denen Güterwagen mit nach außen aufschlagenden Türen be- oder entladen werden sollen, dürfen nicht höher als 1,10 m sein. Die Höhe darf 1,00 m nicht überschreiten, wenn dort nach außen aufschlagende Einsteigetüren von Reisezugwagen geöffnet werden müssen. Andere Seitenrampen zum Be- oder Entladen von Wagen dürfen - ausgenommen an Hauptgleisen - bis zu 1,20 m über Schienenoberkante hoch sein.
(6) Für die Dauer von Bauarbeiten darf von den Vorschriften der Absätze 1, 2, 4 Satz 2 und Absatz 5 abgewichen werden, wenn die erforderlichen Sicherheitsmaßnahmen getroffen sind.
(1) Ist nach den Vorschriften dieser Verordnung die Anwendung von Signalen vorgesehen, so dürfen nur die in der Eisenbahn-Signalordnung vorgeschriebenen Signale benutzt werden. Den Signalen am Fahrweg sind entsprechende Anzeigen im Führerraum gleichgestellt; sie dürfen die Signale am Fahrweg ersetzen.
(2) Die Einfahrten in Bahnhöfe sind
| |
bei einer Einfahrgeschwindigkeit von mehr als 50 km/h
|
durch Hauptsignale (Einfahrsignale) zu sichern. Ausnahmen sind zulässig (§ 3 Abs. 1 Nr. 2).
(3) Die Ausfahrten aus Bahnhöfen sind
| |
bei einer Ausfahrtgeschwindigkeit von mehr als 60 km/h
|
durch Hauptsignale (Ausfahrsignale) zu sichern. Ausnahmen sind zulässig (§ 3 Abs. 1 Nr. 2).
(4) Die Grundstellung für Hauptsignale ist die Stellung "Zughalt". Eine andere Stellung ist zulässig
- 1.
für Hauptsignale in Streckenabschnitten mit selbsttätiger Streckenblockung,
- 2.
für Hauptsignale von Betriebsstellen, die für längere Dauer oder in regelmäßig wiederkehrenden Zeitabschnitten an der Regelung der Zugfolge nicht beteiligt
| sind.
|
sind,
|
|
|
3. für Einfahrsignale bei Zugleitbetrieb.
|
(5) Blockstellen, Abzweigstellen, Überleitstellen und Gleisverschlingungen sind durch Hauptsignale
| zu sichern.
|
zu sichern, wenn dort mit mehr als 60 km/h - beim Befahren von Weichen gegen die Spitze mit mehr als 50 km/h - gefahren wird. Ausnahmen sind zulässig (§ 3 Abs. 1 Nr.2).
|
(6) Bewegliche Brücken sind örtlich durch Signale so zu sichern, daß die Signale in der Haltstellung verschlossen sind, solange die Brücke entriegelt ist, und daß die Brücke bei Fahrtstellung der Signale nicht entriegelt werden kann.
(7) Höhengleiche Kreuzungen zweier Schienenbahnen, die dieser Verordnung unterstehen, sind durch Hauptsignale in gegenseitiger Abhängigkeit zu sichern. Untersteht eine der Bahnen nicht dieser Verordnung, so ist mit der Zulassung (§ 3 Abs. 2) der Kreuzung zu bestimmen, ob und wie sie zu sichern ist.
(8) Auf der freien Strecke liegende
| Weichen
|
Weichen, die mit mehr als 50 km/h gegen die Spitze befahren werden,
|
und damit zusammenhängende Gleiskreuzungen sind durch Signale zu sichern. Anschlußstellen können auch durch Signale benachbarter Zugfolgestellen gesichert werden, wenn zwischen Anschlußweichen, Flankenschutzeinrichtungen und Signalen Abhängigkeit besteht.
(9) Weichen, die
gegen die Spitze befahren werden, müssen von den für die Zugfahrt gültigen Signalen derart abhängig sein, daß die Signale nur dann in Fahrtstellung gebracht werden können, wenn die Weichen für den Fahrweg richtig liegen und verschlossen sind (Signalabhängigkeit). Hierbei sind ferngestellte Weichen, die von Reisezügen gegen die Spitze befahren werden, gegen Umstellen unter dem Zug festzulegen oder einzeln zu sichern.
(10) Ist die Signalabhängigkeit von Weichen, die von Zügen gegen die Spitze befahren werden, vorübergehend aufgehoben oder
| beeinträchtigt,
|
beeinträchtigt, oder werden nichtsignalabhängige Weichen, ausgenommen Rückfallweichen, von Reisezügen mit mehr als 40 km/h bis höchstens 50 km/h gegen die Spitze befahren,
|
so sind sie technisch zu sichern oder zu bewachen.
(11) Für
| Reisezüge
|
Reisezüge, die mit mehr als 50 km/h fahren,
|
sind Flankenschutzvorkehrungen zu treffen.
|
|
| Der Flankenschutz für Gleise, die mit mehr als 160 km/h befahren werden, muß in Bahnhöfen und auf Anschlußstellen durch Schutzweichen gewährleistet sein.
|
|
(12) Mit den Einfahrsignalen und den Hauptsignalen auf der freien Strecke sind Vorsignale
| zu verbinden.
|
zu verbinden, wenn im Bremswegabstand vor dem Hauptsignal mit mehr als 60 km/h gefahren wird. Ist hiernach kein Vorsignal erforderlich, so muß der Bremswegabstand durch eine Signaltafel gekennzeichnet werden.
|
Ausnahmen sind zulässig (§ 3 Abs. 1 Nr. 2).
(13) Der Abstand zwischen dem Hauptsignal und dem zugehörigen Vorsignal soll mindestens so groß sein wie der zugelassene größte Bremsweg (§ 35 Abs. 4). Kürzere Vorsignalabstände sind zulässig, wenn dies aus örtlichen Gründen nicht zu umgehen ist; bei Verkürzungen um mehr als 5% müssen besondere Bremstafeln für den jeweils vorhandenen Vorsignalabstand (Bremsweg) aufgestellt sein.
(14) Das Hauptsignal "Langsamfahrt" ist durch das Vorsignal "Langsamfahrt erwarten"
| anzukündigen.
|
anzukündigen, wenn vom Vorsignal ab mit mehr als 60 km/h gefahren wird.
|
Hiervon kann bei Ausfahrsignalen an Ausweichgleisen, auf denen keine Durchfahrten zugelassen sind, abgesehen werden.
(15) Für nicht an ein Gleisbildstellwerk angeschlossene Weichen ist eine Grundstellung zu bestimmen, wenn Fahrten über diese Weichen Fahrten auf den Hauptgleisen gefährden können.
(16) Weichen in Hauptgleisen müssen mit Weichensignalen versehen sein, wenn sie von den für die Zugfahrt gültigen Signalen nicht abhängig
| sind.
|
sind oder im allgemeinen nicht verschlossen gehalten werden. Bei ausreichender Beleuchtung sind Weichensignale nicht erforderlich.
|
(17) Zwischen zusammenlaufenden Gleisen muß ein Grenzzeichen vorhanden sein, bis zu dem ein Gleis ohne Gefährdung von Fahrzeugen im Nachbargleis besetzt sein darf. Der Mindestgleisabstand am Grenzzeichen ergibt sich aus Anlage 4. Bei ungünstigen örtlichen Verhältnissen darf statt des Grenzzeichens eine andere Kennzeichnung verwendet werden.
|
 |
(1) Auf Bahnen mit besonders dichter Zugfolge muß das Signal für die Fahrt in eine Blockstrecke unter Verschluß der nächsten Blockstelle liegen.
|
|
| (2) Strecken
|
mit Signalen, die nach § 14 vorgeschrieben sind und auf denen mehr als 80 km/h zugelassen sind,
|
| müssen mit Zugbeeinflussung ausgerüstet sein, durch die ein Zug selbsttätig zum Halten gebracht und ein unzulässiges Anfahren gegen Halt zeigende Signale überwacht werden kann.
|
| |
Strecken mit Signalen, die nach § 14 vorgeschrieben sind, auf denen
- 1.
mehrere Züge gleichzeitig verkehren und
- 2.
Reisezugverkehr stattfindet oder mehr als 50 km/h zugelassen sind,
müssen mit Zugbeeinflussung ausgerüstet sein, durch die ein Zug selbsttätig zum Halten gebracht werden kann. Zugleitstrecken, bei denen die Voraussetzungen des Satzes 2 Nummer 1 und 2 vorliegen, sind mit technischen Einrichtungen auszurüsten, durch die ein Zug selbsttätig zum Halten gebracht werden kann. Ausnahmen von Satz 2 und Satz 3 sind nach § 3 Absatz 1 Nummer 2 zulässig.
|
| (3) Strecken, auf denen mehr als 160 km/h zugelassen sind, müssen mit Zugbeeinflussung ausgerüstet sein, durch die ein Zug selbsttätig zum Halten gebracht und außerdem geführt werden kann.
|
|
(4) Für weitere Strecken können die zuständigen Eisenbahnaufsichtsbehörden die Ausrüstung mit Zugbeeinflussung oder technischen Einrichtungen vorschreiben, wenn die örtlichen Verhältnisse oder eine besondere Gefahrensituation dies erfordern.
|
 |
| (1) Zugfolgestellen
|
|
| |
und Zuglaufmeldestellen
|
| sind durch Fernmeldeanlagen zu verbinden. Schrankenposten und Streckenfernsprecher sind in die Verbindung einzuschalten.
|
| |
Ausnahmen sind zulässig (§ 3 Abs. 1 Nr. 2).
|
| |
|
| (2) Auf Strecken ohne Streckenblockeinrichtung,
|
|
| |
die von Reisezügen oder von Zügen mit mehr als 60 km/h befahren werden,
|
| sind fernmündliche Zugmeldungen durch Sprachspeicher aufzuzeichnen. Ausnahmen sind zulässig (§ 3 Abs. 1 Nr. 2).
|
| |
|
| (3) Streckenfernsprecher sind auf freier Strecke einzubauen, soweit es erforderlich ist.
|
| |
|
| (4) Strecken, die von Reisezügen befahren werden, sollen mit Zugfunkeinrichtungen ausgerüstet sein. Mit Zugfunkeinrichtungen müssen ausgerüstet sein
|
- 1.
Strecken, auf denen mehr als 160 km/h zugelassen sind,
|
|
- 2.
Strecken ohne Streckenblockeinrichtungen, auf denen
- a)
Reisezüge oder
- b)
Züge mit mehr als 60 km/h
verkehren. Ausnahmen sind zulässig (§ 3 Abs. 1 Nr. 2).
|
| (5) Bahnsteige an Gleisen, die mit mehr als 160 km/h befahren werden, sollen mit Lautsprecheranlagen ausgerüstet sein.
|
|
(1) Die Bahnanlagen sind planmäßig auf ihre ordnungsgemäße Beschaffenheit zu untersuchen. Art, Umfang und Häufigkeit der Untersuchung haben sich nach Zustand und Belastung der Bahnanlagen sowie nach der zugelassenen Geschwindigkeit zu richten.
(2) Gefährdete Stellen sind so zu überwachen, daß Betriebsgefährdungen rechtzeitig erkannt und Gegenmaßnahmen getroffen werden können.
(1) Die Fahrzeuge werden entsprechend ihrer Zweckbestimmung nach Regelfahrzeugen und Nebenfahrzeugen unterschieden. Regelfahrzeuge müssen den nachstehenden Bauvorschriften entsprechen. Nebenfahrzeuge brauchen diesen Vorschriften nur insoweit zu entsprechen, als es für den Sonderzweck, dem sie dienen sollen, erforderlich ist.
(2) Die Regelfahrzeuge werden nach Triebfahrzeugen und Wagen unterschieden.
(3) Die Triebfahrzeuge werden eingeteilt in Lokomotiven, Triebwagen und Kleinlokomotiven.
(4) Die Triebfahrzeuge werden entweder unmittelbar bedient oder werden gesteuert. Steuerung ist die Regelung der Antriebs- und Bremskraft durch eine Steuereinrichtung von einem führenden Fahrzeug aus oder durch Fernsteuerung.
(5) Die Wagen werden eingeteilt in Reisezugwagen und Güterwagen. Zu den Reisezugwagen zählen Personen-, Reisezuggepäck-, Autoreisezug- und Postwagen. Zu den Güterwagen zählen auch die Güterzuggepäckwagen.
(1) Bei stillstehenden Fahrzeugen, deren Radsatzabstände 1.500 mm nicht unterschreiten, sind Radsatzlasten
bis zu 18 t I bis zu 16 t
und Fahrzeuggewichte je Längeneinheit
bis zu 5,6 t/m I bis zu 4,5 t/mzulässig. Höhere Radsatzlasten und Fahrzeuggewichte je Längeneinheit sind zulässig, wenn sie vom Oberbau und von den Bauwerken sicher aufgenommen werden können. Bei Radsatzabständen unter 1.500 mm sind die zulässigen Radsatzlasten und Fahrzeuggewichte je Längeneinheit entsprechend der Belastbarkeit des Oberbaus und der Bauwerke einzuschränken.
(2) Die Radsatzlast ist der auf einen Radsatz, das Fahrzeuggewicht je Längeneinheit ist der auf 1,00 m Fahrzeuglänge (Länge über Puffer gemessen) entfallende Anteil der Gesamtlast.
(1) Die Räder und Radsätze der Fahrzeuge müssen so beschaffen und gelagert sein, daß Gleisbogen mit 150 m Radius und 1.435 mm Spurweite einwandfrei durchfahren werden können. Die Räder eines Radsatzes müssen Spurkränze haben und dürfen auf der Radsatzwelle seitlich nicht verschiebbar sein; Ausnahmen für Spurwechselradsätze sind zulässig (§ 3 Abs. 1 Nr. 2).
(2) Für Räder und Radsätze gelten die Maße der Anlage 6. Hiervon darf abgewichen werden, wenn nachgewiesen ist, daß die Räder und Radsätze die Fahrzeuge im Gleis sicher führen.
(3) Bei Rädern, die aus einem Stück gefertigt sind, muß die Mindestdicke des Radkranzes durch eine auf der äußeren Stirnfläche eingedrehte Rille gekennzeichnet sein (Anlage 6).
(4) Bei neu zu bauenden Wagen ohne Drehgestelle muß der Abstand der Endradsätze mindestens 4.500 mm und das Verhältnis von Radsatzabstand zu Gesamtlänge - über die nicht eingedrückten Puffer gemessen - mindestens 45 : 100 betragen.
(5) Bei den bis zum 28. Mai 1967 erstmalig in Betrieb genommenen Wagen ohne Drehgestelle, die nicht im internationalen Verkehr eingesetzt werden, muß der Abstand der Endradsätze mindestens 3.000 mm betragen.
(1) Für die Abmessungen der Fahrzeuge, die freizügig im grenzüberschreitenden Verkehr eingesetzt werden sollen, gilt die Bezugslinie G 1 nach Anlage 7, für die Abmessungen der übrigen Fahrzeuge die Bezugslinie G 2 nach Anlage 8. Die Bezugslinie nach Anlage 8 Bild 3 darf für Wagen nur mit besonderer Genehmigung (§ 3 Abs. 2) angewendet werden.
(2) Für Fahrzeuge in besonderen Einsatzbereichen des Fernschnellverkehrs und der Stadtschnellbahnen sind Überschreitungen der Maße der Bezugslinien mit besonderer Genehmigung (§ 3 Abs. 2) zulässig.
(3) Für die Berechnung der Fahrzeugabmessungen sind die Maße der Bezugslinien gemäß Anlage 9 einzuschränken.
(4) Für gesenkte Stromabnehmer gilt die Bezugslinie, die dem Fahrzeug zugrunde liegt. Stromabnehmer in Arbeitsstellung müssen
- 1.
die Grenzlinie bei Oberleitung (Anlage 3) einhalten oder
- 2.
an Gleisen mit Stromschiene innerhalb des Raumes nach § 9 Abs. 4 bleiben.
(5) Signalmittel und Rückspiegel dürfen die Fahrzeugbreite beiderseits um höchstens 50 mm überschreiten.
(6) Sandstreuer und Bahnräumer dürfen in den von den Rädern bestrichenen Raum hineinragen.
(7) Bremsteile, die unmittelbar auf die Schiene wirken, und Bremsklötze dürfen in den von den Rädern bestrichenen Raum hineinragen, wenn sie im Bereich zwischen den Radsätzen eines Drehgestells angebracht sind und die Wirksamkeit von Rangiereinrichtungen nicht beeinträchtigen.
(8) Entkuppelte Schrauben- und Leitungskupplungen müssen so aufgehängt oder eingeschraubt werden können, daß sie nicht tiefer als 140 mm über Schienenoberkante herabreichen.
(1) Die Fahrzeuge - ausgenommen Kleinlokomotiven - müssen mit durchgehender selbsttätiger Bremse ausgerüstet sein. Diese muß in beliebiger Reihung mit den Bremsbauarten derjenigen Bahnen zusammenarbeiten, auf deren Strecken die Fahrzeuge übergehen. Für eine beschränkte Anzahl von Güterwagen genügt das Ausrüsten mit Bremsleitung.
(2) Eine durchgehende Bremse ist selbsttätig, wenn sie bei jeder unbeabsichtigten Unterbrechung der Bremsleitung wirksam wird.
(3) Fahrzeuge, in denen Personen befördert werden, müssen leicht sichtbare und erreichbare Notbremsgriffe haben, durch die eine Notbremsung eingeleitet werden kann. Die Notbremseinrichtung darf so beschaffen sein, daß eine eingeleitete Notbremsung aufgehoben werden kann. Bei Stadtschnellbahnfahrzeugen ist es zulässig, daß die Betätigung eines Notbremsgriffes außerhalb von Bahnsteigbereichen nur eine Anzeige im Führerraum auslöst.
(4) Triebfahrzeuge und andere führende Fahrzeuge müssen eine Handbremse oder eine sich selbst feststellende Bremse (zum Beispiel Federspeicherbremse) haben. Bei Kleinlokomotiven genügt eine in der Bremsstellung feststellbare Fußbremse.
(5) Die Wagen müssen in genügender Anzahl mit Handbremsen ausgerüstet sein.
(6)
(7)
(8)
(1) Die Fahrzeuge müssen an beiden Enden federnde Zug- und Stoßeinrichtungen haben.
(2) Fahrzeuge, die im Betrieb dauernd verbunden bleiben, gelten hinsichtlich der Ausrüstung mit Zug- und Stoßeinrichtungen als nur ein Fahrzeug. Mehr als zwei Fahrzeuge dürfen nur mit besonderer Genehmigung (§ 3 Abs. 2) dauernd ohne Zwischenschaltung federnder Zug- und Stoßeinrichtungen verbunden werden.
(3) Die Fahrzeuge sind in der Regel mit Schraubenkupplungen und Puffern nach Anlage 10 zu versehen; andere Zug- und Stoßeinrichtungen sind an Fahrzeugen für besondere Zwecke zulässig.
(4)
(5)
(6)
(1) Die Fahrzeuge müssen so gestaltet sein, daß ein gefahrloses Kuppeln möglich ist. Die dafür erforderlichen Räume (Anlage 11) müssen bei Fahrzeugen mit Schraubenkupplungen und Seitenpuffern von festen Teilen frei sein, wenn sich die Zugeinrichtung in Mittelstellung befindet; elastisch verformbare Teile der Übergangseinrichtungen und Verbindungsleitungen dürfen in diese Räume hineinragen. Im Bereich unterhalb der Puffer dürfen keine festen Teile den Zugang behindern.
(2) Feste Teile an den Stirnseiten der Fahrzeuge müssen von der Stoßebene der ganz eingedrückten Puffer mindestens 40 mm entfernt sein. Hiervon darf abgewichen werden, wenn gefährliche Berührungen der Fahrzeuge ausgeschlossen sind.
(3) Tritte an den Fahrzeugseiten müssen von der Stoßebene der ganz eingedrückten Puffer mindestens 150 mm entfernt sein.
(4) An den Güterwagen müssen die Stirnseiten mit Stützen zur Aufnahme der Schlußsignalmittel versehen sein, soweit die Wagen dafür geeignet sind. An den übrigen Fahrzeugen sind die Stirnseiten in der Regel mit zwei fest eingebauten Schlußsignalen, sonst mit zwei Signalstützen auszurüsten. Erforderlichenfalls müssen Aufsteigtritte und Handgriffe für das Anbringen der Signalmittel vorhanden sein.
|
 |
(1) Triebfahrzeuge und andere führende Fahrzeuge müssen folgende Ausrüstung haben:
- 1.
Einrichtungen zum Geben hörbarer Signale,
- 2.
Bahnräumer,
- 3.
Geschwindigkeitsanzeiger,
- 4.
Zugbeeinflussung, durch die ein Zug selbsttätig zum Halten gebracht und bei Fahrzeugen mit einer zulässigen Geschwindigkeit von mehr als 30 km/h ein unzulässiges Anfahren gegen Halt zeigende Signale überwacht werden kann, wenn die Fahrzeuge auf Strecken mit Zugbeeinflussung nach § 15 Absatz 2 Satz 1 verkehren,
- 4a.
Zugbeeinflussung, durch die ein Zug selbsttätig zum Halten gebracht werden kann, wenn die Fahrzeuge auf Strecken mit Zugbeeinflussung nach § 15 Absatz 2 Satz 2 verkehren,
- 4b.
technische Einrichtung, durch die ein Zug selbsttätig zum Halten gebracht werden kann, wenn die Fahrzeuge auf Strecken mit technischen Einrichtungen nach § 15 Absatz 2 Satz 3 verkehren,
- 4c.
Zugbeeinflussung oder technische Einrichtung, durch die ein Zug selbsttätig zum Halten gebracht werden kann, wenn die Fahrzeuge auf Strecken mit Zugbeeinflussung oder technischen Einrichtungen verkehren, auf denen eine solche Ausrüstung nach § 15 Absatz 4 vorgeschrieben worden ist,
- 5.
Zugbeeinflussung, durch die ein Zug selbsttätig zum Halten gebracht und außerdem geführt werden kann, wenn die zulässige Geschwindigkeit der Fahrzeuge mehr als 160 km/h beträgt,
- 6.
Sicherheitsfahrschaltung, die bei Geschwindigkeiten von 20 km/h und mehr anspricht und bei Dienstunfähigkeit des Triebfahrzeugführers selbsttätig das Anhalten des Zuges oder der Rangierfahrt bewirkt. Bei vorhandenen Kleinlokomotiven ist diese Ausrüstung nur erforderlich, wenn das Fahrzeug in Zügen mit dem Triebfahrzeugführer oder Bediener allein besetzt werden soll,
- 7.
Zugfunkeinrichtungen, wenn
- a)
die zulässige Geschwindigkeit der Fahrzeuge mehr als 100 km/h beträgt oder
- b)
die Fahrzeuge auf Strecken nach § 16 Abs. 4 Nr. 2 verkehren,
- 8.
Funkenfänger und verschließbare Aschkasten, wenn feste Brennstoffe verfeuert werden.
(2) Einsteigetüren der Reisezugwagen müssen sicher wirkende Verschlußeinrichtungen erhalten. Nach außen aufschlagende Einsteigetüren in den Seitenwänden der Reisezugwagen müssen Verschlußeinrichtungen haben, bei denen durch Zuschlagen der Tür ein doppelter Verschluß selbsttätig herbeigeführt wird. Der doppelte Verschluß muß durch zwei getrennte Verschlußteile herbeigeführt werden oder durch einen Verschlußteil, der in zwei Stufen schließt. Bei neu zu bauenden Reisezugwagen müssen die Verschlußeinrichtungen darüber hinaus so beschaffen sein, daß die Türen - ausgenommen im Notfall - während der Fahrt von innen nicht geöffnet werden können; Reisezugwagen, die nach dem 1. Januar 1970 erstmalig in Betrieb genommen wurden, sind mit solchen Verschlußeinrichtungen bei der nächsten Untersuchung auszurüsten.
(3) Öffnungen der Einsteigetüren müssen im Innern der Personenwagen mit Schutzeinrichtungen gegen das Einklemmen der Finger versehen sein.
(4) Fernbetätigte oder automatisch schließende Türen müssen so beschaffen sein, daß bei ihrer Betätigung Personen nicht gefährdet werden.
(5) Seitliche Schiebetüren der Gepäckwagen und Gepäckabteile müssen gegen unbeabsichtigtes Schließen der Türen gesichert sein. Die dabei freizuhaltende Öffnung muß mindestens 300 mm betragen.
(6) Glasscheiben in neu zu bauenden Reisezugwagen müssen aus Sicherheitsglas bestehen.
(7) Fahrzeuge müssen so gebaut und ausgerüstet sein, daß Entstehung und Ausbreitung von Bränden erschwert werden.
(8) Fahrzeuge, in denen Personen befördert werden, müssen in ausreichender Anzahl Ausstiegsmöglichkeiten für Notfälle haben.
(9) An den zum Öffnen eingerichteten Seitenfenstern der Reisezugwagen und der Güterzuggepäckwagen muß eine Warnung vor dem Hinauslehnen angebracht sein.
(10) Reisezugwagen, die auf Strecken mit elektrischer Oberleitung verkehren, müssen so eingerichtet sein, daß ein Besteigen des Daches oder hochgelegener Tritte und Leitern bei im Betrieb regelmäßig vorkommenden Arbeiten, wie Aufstecken der Signalmittel, Füllen der Wasserbehälter, nicht erforderlich ist.
(11) Unter jedem Kopfstück eines Güterwagens müssen zwei Kupplergriffe vorhanden sein.
(12) Wagen sollen auf jeder Langseite mindestens einen Tritt und einen Handgriff für Rangierer haben.
(13) Die Vorschriften für die Ausrüstung von Personenwagen gelten, soweit erforderlich, auch für Triebwagen.
(14) Fahrzeuge müssen die für Betrieb, Unterhaltung und Arbeitsschutz erforderlichen Anschriften und Zeichen tragen.
(1) Neue Fahrzeuge dürfen erst in Betrieb genommen werden, wenn sie abgenommen worden sind (§ 3 Abs. 2).
(2) Die Fahrzeuge sind planmäßig wiederkehrend zu untersuchen.
(3) Art, Umfang und Häufigkeit der Untersuchung nach Absatz 2 haben sich nach Zustand und Umfang der Nutzung der Eisenbahnfahrzeuge zu richten. Soweit für die Instandhaltung von Eisenbahnfahrzeugen keine Instandhaltungsstellen-Bescheinigung erforderlich ist oder die für die Instandhaltung zuständige Stelle keine anderweitigen Vorgaben für die Instandhaltung getroffen hat, soll eine Untersuchung mindestens alle sechs Jahre durchgeführt werden. Die Frist zwischen zwei aufeinanderfolgenden Untersuchungen darf in diesen Fällen mehrmals bis zu einem Jahr auf höchstens acht Jahre verlängert werden, wenn festgestellt ist, dass der Zustand des Fahrzeugs dies zulässt.
(4) Über die Untersuchungen der Fahrzeuge sind Nachweise zu führen.
(1) Dampfkessel, Druckbehälter und sonstige überwachungsbedürftige Anlagen, die mit einem Fahrzeug fest verbunden sind, müssen nach einer zugelassenen Bauart ausgeführt sein; sie müssen vor Inbetriebnahme sowie planmäßig wiederkehrend geprüft werden. Eine Bauartzulassung ist nicht erforderlich für Getränkeschankanlagen und Aufzuganlagen.
(2) Mit dem Fahrzeug fest verbundene Dampfkessel sind planmäßig wiederkehrend alle drei Jahre einer inneren Prüfung zu unterziehen; diese Frist darf auf höchstens vier Jahre verlängert werden, wenn es der Zustand der Dampfkessel zuläßt. Eine innere Prüfung ist vor der Wiederinbetriebnahme erforderlich, wenn der Dampfkessel länger als zwei Jahre außer Betrieb war. In jedem Kalenderjahr ist - außer bei Lokomotivdampfkesseln und Heizdampfkesseln mit automatischer Regelung - eine äußere Prüfung durchzuführen.
(3) Durch Wasserdruck sind zu prüfen
- 1.
Lokomotivdampfkessel
- a)
bei der Prüfung vor Inbetriebnahme,
- b)
bei der inneren Prüfung,
- c)
nach Kesselarbeiten, die die Betriebssicherheit beeinflussen können,
- 2.
sonstige Dampfkessel
- a)
bei der Prüfung vor Inbetriebnahme,
- b)
mindestens alle 9 Jahre,
- c)
nach Kesselarbeiten, die die Betriebssicherheit beeinflussen können,
- d)
vor einer Wiederinbetriebnahme, wenn der Kessel länger als zwei Jahre außer Betrieb war.
(4) Die Prüfungen und Fristverlängerungen sind von zugelassenen Sachverständigen durchzuführen; sie dürfen in einfachen Fällen bei Druckbehältern und sonstigen überwachungsbedürftigen Anlagen von Sachkundigen durchgeführt werden.
(5) Als Sachverständige sind zugelassen
- 1.
die Ingenieure, die vom Eisenbahn-Bundesamt oder von der zuständigen Landesbehörde als Sachverständige anerkannt sind,
- 2.
Sachverständige der Technischen Überwachungsvereine und der Technischen Überwachungsämter.
(6) Über Prüfungen und Fristverlängerungen sind Nachweise zu führen. An Dampfkesseln ist das Datum der letzten inneren Prüfung anzubringen.
(1) Züge sind die auf die freie Strecke übergehenden, aus Regelfahrzeugen bestehenden, durch Maschinenkraft bewegten Einheiten und einzeln fahrenden Triebfahrzeuge. Geeignete Nebenfahrzeuge dürfen wie Züge behandelt oder in Züge eingestellt werden.
(2) Wendezüge sind vom Führerraum an der Spitze aus gesteuerte Züge, deren Triebfahrzeuge beim Wechsel der Fahrtrichtung den Platz im Zuge beibehalten.
(3) Geschobene Züge sind Züge, deren Triebfahrzeuge nicht an der Spitze laufen und die nicht von der Spitze aus gesteuert werden.
(4) Nachgeschobene Züge sind Züge, deren Triebfahrzeuge an der Spitze laufen oder die von der Spitze aus gesteuert werden und die ein weiteres Triebfahrzeug nachschiebt, das nicht von der Spitze aus gesteuert wird.
(5) Zwei nachschiebende Triebfahrzeuge sind stets miteinander zu kuppeln. Mit mehr als zwei Triebfahrzeugen darf nicht nachgeschoben werden. In Gefällen müssen nachschiebende Triebfahrzeuge mit dem Zug gekuppelt sein.
(6) Züge müssen Signale führen, die den Schluß sowie bei Dunkelheit und unsichtigem Wetter die Spitze erkennen lassen. Ausnahmen für das Führen des Schlußsignals sind zulässig (§ 3 Abs. 1 Nr. 2).
(7) Züge werden in Reisezüge und Güterzüge eingeteilt. Güterzüge mit Personenbeförderung gehören im Sinne dieser Verordnung zu den Reisezügen, ausgenommen im Fall des § 40 Abs. 2 Nr. 1. Militärgüterzüge gelten auch dann nicht als Reisezüge im Sinne dieser Verordnung, wenn sie mit Truppen besetzt sind, ausgenommen im Fall des § 14 Abs. 10. Darüber hinaus ist von den Eisenbahnverwaltungen zu bestimmen, welche Züge als Reisezüge und welche als Güterzüge gelten.
(8) Ein Zug darf nicht länger sein, als es seine Bremsverhältnisse, Zug- und Stoßeinrichtungen und die Bahnanlagen zulassen. Reisezüge dürfen nur dann länger als die Bahnsteige sein, wenn die Sicherheit der Reisenden durch betriebliche Anweisungen gewährleistet ist.
(1) Züge mit einer zulässigen Geschwindigkeit von mehr als 50 km/h müssen mit durchgehender Bremse gefahren werden.
(2) Die Bremsverhältnisse eines Zuges müssen sicherstellen, daß der Zug innerhalb des zulässigen Bremswegs zum Halten gebracht werden kann; sie werden mit Hilfe der Bremstafeln ermittelt.
(3) Die Bremstafeln werden genehmigt
- 1.
für Eisenbahnen des Bundes vom Bundesministerium für Verkehr und digitale Infrastruktur,
- 2.
für die nichtbundeseigenen Eisenbahnen von der zuständigen Landesbehörde.
(4) Als größte Bremswege sind zulässig
1 000 m. I 700 m.Für bestimmte Strecken können die in Absatz 3 genannten Behörden auch Bremswege zulassen, die über 1 000 m oder 700 m hinausgehen. Für Züge, die mit Zugbeeinflussung gemäß § 15 Abs. 3 geführt werden, gelten besondere Bremswege.
(5) Die Eisenbahnverwaltungen haben über das Bremsen auf Strecken mit einer Neigung von mehr als 40v.T. besondere Vorschriften aufzustellen und den in Absatz 3 genannten Aufsichtsbehörden zur Genehmigung vorzulegen.
(6) Das letzte oder vorletzte Fahrzeug eines Zuges muß eine wirkende Bremse haben. Hat das letzte Fahrzeug keine wirkende Bremse, so soll es nicht mit Reisenden besetzt sein.
(7) Bevor ein mit durchgehender Bremse fahrender Zug den Anfangsbahnhof verläßt, ist eine Bremsprobe vorzunehmen. Die Bremsprobe ist zu wiederholen, so oft der Führerstand gewechselt oder der Zug ergänzt oder getrennt wird, es sei denn, daß Fahrzeuge nur am Schluß abgehängt werden. Für Züge, die während mehrerer Fahrten unverändert bleiben, sind Ausnahmen zulässig (§ 3 Abs. 1 Nr. 2).
(1) Die Radsatzlast und das Fahrzeuggewicht je Längeneinheit der Fahrzeuge dürfen nicht größer sein, als es für die zu befahrende Bahnstrecke zugelassen ist.
(2) Wagen, die nur durch die Ladung verbunden sind, müssen in den hinteren Teil des Zuges eingestellt werden. Wagen, über die dieselbe Ladung reicht, und Wagen mit ungewöhnlicher Kupplung dürfen nicht unmittelbar vor oder hinter Wagen laufen, die mit Reisenden besetzt sind.
(3) Wagen mit gefährlichem Gut, die entsprechend gekennzeichnet sind, sind unter Anwendung besonderer Vorsichtsmaßnahmen in Züge einzustellen und zu befördern.
(4) Wagen von Eisenbahnverkehrsunternehmen mit Sitz im Ausland dürfen in Züge nur eingestellt werden, wenn sie den Bestimmungen über die Technische Einheit im Eisenbahnwesen entsprechen. Hiervon darf nur mit Zustimmung der in § 3 Abs. 1 Nr. 2 genannten Behörden abgewichen werden.
Reisezüge sind mit Mitteln zur ersten Hilfeleistung auszurüsten. Ausnahmen sind zulässig (§ 3 Abs. 1 Nr. 2).
Auf zweigleisigen Bahnen ist rechts zu fahren. Hiervon kann abgewichen werden
- 1.
in Bahnhöfen und bei der Einführung von Streckengleisen in Bahnhöfe,
- 2.
zwischen einem Bahnhof und einer Abzweigstelle oder Anschlußstelle oder einem benachbarten Bahnhof, der nur an eines der beiden Streckengleise angeschlossen ist,
- 3.
bei Gleiswechselbetrieb,
- 4.
bei Sperrung oder Belegung des rechten Gleises,
- 5.
bei Arbeitszügen und Arbeitswagen,
- 6.
bei Hilfszügen,
- 7.
bei zurückkehrenden Schiebelokomotiven,
- 8.
bei Nebenfahrzeugen.
(1) Die Folge der Züge wird durch Zugfolgestellen, die Reihenfolge durch Zugmeldestellen, die stets auch Zugfolgestellen sind, geregelt. Für die Zugfolge ist der Fahrdienstleiter verantwortlich. Örtlich nicht besetzte Zugfolgestellen sind einem Fahrdienstleiter zuzuordnen.
| (2)
|
Bei Zugleitbetrieb wird der Zuglauf über Zuglaufmeldestellen geregelt. Für den Zuglauf ist der Zugleiter verantwortlich.
|
(3) Züge dürfen auf Bahnen mit einer zugelassenen Geschwindigkeit von mehr als 30 km/h nur im Abstand der Zugfolgestellen einander folgen; bei eingleisigem Betrieb darf das Gleis bis zur nächsten Ausweichstelle nicht durch einen Zug der Gegenrichtung beansprucht sein. Hiervon darf abgewichen werden bei Störungen oder Gleissperrungen,
|
|
ferner beim Fahren im Sichtabstand und bei Zugleitbetrieb, wenn die Sicherheit durch betriebliche Anweisungen oder durch technische Einrichtungen gewährleistet ist.
|
(4) Die Ein-, Aus- oder Durchfahrt eines Zuges darf nur zugelassen werden, wenn sein Fahrweg frei ist. Wenn bei gestörter Gleisfreimeldeanlage das Freisein des Fahrwegs nicht durch Augenschein festgestellt werden kann oder wenn der Einfahrweg in einem Stumpfgleis oder besetzten Gleis endet, muß die Sicherheit durch betriebliche Anweisungen oder technische Einrichtungen gewährleistet sein.
|
|
Bei Zugleitbetrieb darf dem Zugführer die Fahrwegprüfung für den nächsten Zug - ohne Meldung an den Zugleiter - übertragen werden.
|
(5) An Haltsignalen dürfen Züge nur mit besonderem Auftrag vorbeifahren.
(6) Die Annäherung der Züge ist den Schrankenwärtern und Posten (§ 11 Abs. 11) anzukündigen.
(7) Ist die Verständigung zwischen den Zugfolgestellen gestört, so darf ein Zug mit der Anweisung zu vorsichtiger Fahrt abgelassen werden, wenn angenommen werden kann, daß der vorausgefahrene Zug auf der nächsten Zugfolgestelle eingetroffen und ein Gegenzug auf demselben Gleis nicht zu erwarten ist.
(8) Gleisabschnitte, auf denen die zugelassene Geschwindigkeit ermäßigt werden muß, sind durch Signale kenntlich zu machen oder schriftlich bekanntzugeben.
(9) Unbefahrbare Gleisabschnitte sind abzuriegeln, auch wenn kein Zug erwartet wird.
(10) Regelfahrzeuge, die nicht in Zügen befördert werden, und Nebenfahrzeuge dürfen nur mit Wissen der benachbarten Zugmeldestellen,
|
|
bei Zugleitbetrieb mit Zustimmung des Zugleiters,
|
auf die freie Strecke gelassen werden. Ihre Annäherung ist den Schrankenwärtern und Posten (§ 11 Abs. 11) anzukündigen.
(1) Die Geschwindigkeit, mit der ein Zug höchstens fahren darf (zulässige Geschwindigkeit), ist abhängig von
- 1.
der Bauart der einzelnen Fahrzeuge,
- 2.
der Art und Länge der Züge (§ 34),
- 3.
den Bremsverhältnissen (§ 35),
- 4.
den Streckenverhältnissen,
- 5.
den betrieblichen Verhältnissen
und von den Vorschriften der folgenden Absätze.
(2) Die zulässige Geschwindigkeit beträgt
- 1.
für Reisezüge mit durchgehender Bremse
250 km/h, wenn Strecke und führende Fahrzeuge mit Zugbeeinflussung (§ 15 Absatz 3, § 28 Absatz 1 Nummer 5) ausgerüstet sind und diese wirksam ist, oder 160 km/h, wenn Strecke und führende Fahrzeuge mit Zugbeeinflussung (§ 15 Absatz 2 Satz 1, § 28 Absatz 1 Nummer 4) ausgerüstet sind und diese wirksam ist, sonst 50 km/h;
|
100 km/h, wenn die in den §§ 5, 6, 11, 15 Absatz 1, § 16 Absatz 1 und § 35 Absatz 4 genannten, für Hauptbahnen geltenden Vorschriften eingehalten sind, sonst 80 km/h; abweichend davon beträgt die zulässige Geschwindigkeit 50 km/h, wenn die Zugbeeinflussung der Strecke oder des führenden Fahrzeuges vorübergehend nicht wirksam ist oder bei Zugleitbetrieb die Sicherheit durch technische Einrichtungen vorübergehend nicht gewährleistet ist;
|
- 2.
für Güterzüge mit durchgehender Bremse
120 km/h, wenn Strecke und führende Fahrzeuge mit Zugbeeinflussung (§ 15 Absatz 2 Satz 1, § 28 Absatz 1 Nummer 4) ausgerüstet sind und diese wirksam ist, sonst 50 km/h;
|
80 km/h; abweichend davon beträgt die zulässige Geschwindigkeit 50 km/h, wenn die Zugbeeinflussung der Strecke oder des führenden Fahrzeuges vorübergehend nicht wirksam ist oder bei Zugleitbetrieb die Sicherheit durch technische Einrichtungen vorübergehend nicht gewährleistet ist;
|
- 3.
für Züge ohne durchgehende Bremse 50 km/h.
(3) Die zulässige Geschwindigkeit beträgt 50 km/h, wenn
- 1.
führende Lokomotiven mit dem Tender voran fahren; Ausnahmen sind zulässig (§ 3 Abs. 1 Nr. 2);
- 2.
andere führende Triebfahrzeuge sowie Steuerwagen ausnahmsweise vom hinteren Führerstand aus bedient werden müssen und der vordere Führerstand mit einem Betriebsbeamten besetzt ist, der den Zug zum Halten bringen kann;
- 3.
bei einmännig besetzten führenden Fahrzeugen die Sicherheitsfahrschaltung gestört ist.
(4) Geschobene Züge dürfen höchstens 30 km/h fahren,
|
|
über Bahnübergänge ohne technische Sicherung (vgl. § 11 Abs. 3) höchstens 20 km/h.
|
(5) Nachgeschobene Züge dürfen höchstens 60 km/h fahren. Ist das nachschiebende Triebfahrzeug an die durchgehende Bremse angeschlossen, darf der Zug höchstens 80 km/h fahren.
(6) Hilfszüge (z. B. Gerätewagen, Hilfslokomotiven) dürfen auch bei Dienstruhe verkehren, wenn ihre Geschwindigkeit höchstens 50 km/h beträgt. Bahnübergänge mit offenen Schranken sowie mit fernüberwachten oder nicht eingeschalteten Lichtzeichen oder Blinklichtern dürfen dabei ohne Sicherung durch Posten mit höchstens 10 km/h befahren werden.
(7) In Gleisbogen darf die Geschwindigkeit betragen
- v =
Wurzel aus r/11,8 x (u + u(tief)f)
- v =
Geschwindigkeit in km/h
- r =
Bogenradius in m
- u =
Überhöhung in mm.
- u(tief)f =
Überhöhungsfehlbetrag in mm
Der Überhöhungsfehlbetrag ist in Abhängigkeit von der Beschaffenheit des Oberbaus, von der Bauart der Fahrzeuge sowie von der Ladung und deren Sicherung festzulegen; er soll nicht größer sein als 150 mm.
(8) Für Probefahrten (Versuchszüge) sind Ausnahmen von vorstehenden Vorschriften zulässig (§ 3 Abs. 1 Nr. 2), ausgenommen von der Vorschrift in Absatz 6.
(1) Rangierbewegungen, die eine Zugfahrt oder eine andere Rangierfahrt gefährden können, dürfen nicht ausgeführt werden.
(2) Das Rangieren auf dem Einfahrgleis über das Einfahrsignal hinaus ist in der Regel verboten. Läßt es sich im Einzelfall nicht vermeiden, so ist dazu die schriftliche Erlaubnis des Fahrdienstleiters oder Zugleiters einzuholen.
| Auf Bahnhöfen ohne Einfahrsignale ist das Rangieren über die Einfahrweiche oder die Trapeztafel hinaus gestattet, wenn die Sicherheit durch betriebliche Anweisungen gewährleistet ist.
|
(3) Die Höhe der Hemmschuhe darf das Maß von 125 mm über Schienenoberkante nicht überschreiten.
(1) Stillstehende Fahrzeuge sind gegen unbeabsichtigte Bewegung zu sichern, wenn es die Sicherheit erfordert.
(2) Triebfahrzeuge müssen beaufsichtigt werden, solange sie durch eigenen Kraftantrieb bewegungsfähig und gegen unbeabsichtigte Bewegung nicht besonders gesichert sind.
(1) Arbeitende Triebfahrzeuge müssen während der Fahrt mit einem Triebfahrzeugführer besetzt sein; gesteuerte Triebfahrzeuge (§ 18 Abs. 4) dürfen unbesetzt sein. Bei Kleinlokomotiven dürfen die Aufgaben des Triebfahrzeugführers auch von einem Bediener von Kleinlokomotiven wahrgenommen werden.
(2) Der Triebfahrzeugführer muß sich während der Fahrt bei Triebfahrzeugen mit zwei Führerräumen im vorderen Führerraum, bei Triebfahrzeugen, die von einem führenden Fahrzeug aus gesteuert werden, an der Spitze des Zuges aufhalten. Bei Rangierfahrten oder bei kurzen Rückwärtsbewegungen braucht er den Führerraum nicht zu wechseln; ferngesteuerte Rangierfahrten dürfen unbesetzt sein.
(3) Sofern in den Absätzen 4 und 6 nichts anderes bestimmt ist, sind führende Fahrzeuge in Zügen außerdem mit einem Triebfahrzeugbegleiter zu besetzen, wenn sie keine wirksame Sicherheitsfahrschaltung haben. Der Triebfahrzeugbegleiter hat sich an der Strecken- und Signalbeobachtung zu beteiligen und den Zug erforderlichenfalls zum Halten zu bringen.
(4) Arbeitende Dampflokomotiven sind, soweit erforderlich, mit einem Heizer zu besetzen.
(5) In den besetzten besonderen Führerräumen der Triebfahrzeuge und Steuerwagen darf außer den dienstlich dazu berechtigten Personen niemand ohne Erlaubnis der zuständigen Stellen mitfahren.
(6) Das vorderste Fahrzeug geschobener Züge ist mit einem Betriebsbeamten zu besetzen. Hiervon darf bei kurzem Zurücksetzen abgewichen werden. Der Betriebsbeamte muß sich mit dem Triebfahrzeugführer verständigen können und Signalmittel zur Warnung der Wegebenutzer vor Bahnübergängen ohne technische Sicherung mitführen.
(7) Reisezüge sind mit mindestens einem Zugbegleiter zu besetzen, sofern dessen betriebliche Aufgaben nicht von einem anderen Betriebsbeamten oder von technischen Einrichtungen übernommen werden. Sie dürfen ohne Zugbegleiter verkehren, wenn das Schließen der Wagentüren auf den Fahrgastwechsel abgestimmt und das Geschlossensein der Wagentüren vor Abfahrt dem Triebfahrzeugführer angezeigt oder bei einfachen Verhältnissen von ihm festgestellt wird.
(1) Betriebsbeamte im Sinne dieser Verordnung sind Personen, die tätig sind als
- 1.
Leitende oder Aufsichtführende in der Erhaltung der Bahnanlagen und im Betrieb der Bahn,
- 2.
Betriebskontrolleure und technische Bahnkontrolleure,
- 3.
Fahrdienstleiter, Zugleiter, Aufsichtsbeamte und Zugmelder,
- 4.
Leiter von technischen Dienststellen des äußeren Eisenbahndiensts sowie andere Aufsichtführende im Außendienst dieser Stellen,
- 5.
Weichensteller und Rangierleiter,
- 6.
Wagenuntersuchungs- und Bremsbeamte,
- 7.
Strecken- und Schrankenwärter,
- 8.
Zugbegleiter,
- 9.
Triebfahrzeugführer, einschließlich Bediener von Kleinlokomotiven und Führer von Nebenfahrzeugen,
- 10.
Heizer und Triebfahrzeugbegleiter.
(2) Die Betriebsbeamten sind verpflichtet, für die sichere und pünktliche Durchführung des Eisenbahnbetriebs zu sorgen. Sie haben, soweit erforderlich, eine richtigzeigende Uhr zu tragen.
(3) Die Betriebsbeamten sind in der zur sicheren Durchführung des Betriebs erforderlichen Anzahl einzusetzen.
(4) Den Betriebsbeamten sind schriftliche oder elektronische Anweisungen über ihre dienstlichen Pflichten zugänglich zu machen.
(5) Über jeden Betriebsbeamten sind Personalunterlagen zu führen.
(6) Eisenbahnen haben Regelungen über die Arbeitszeit und Ruhezeit von Betriebsbeamten aufzustellen, soweit nicht gesetzliche oder tarifvertragliche Vorschriften zur Arbeitszeitgestaltung gelten. Die Regelungen müssen mindestens den gesetzlichen Vorschriften zur Arbeitszeitgestaltung entsprechen.
(1) Die Betriebsbeamten müssen mindestens 18 Jahre, Triebfahrzeugführer jedoch mindestens 20 Jahre alt sein.
(2) Die Betriebsbeamten müssen körperlich tauglich und frei von solchen Krankheiten und Krankheitsanlagen sein, die eine Gefahr für die Betriebssicherheit bilden können. Zur körperlichen Tauglichkeit gehören auch ein ausreichendes Sehvermögen, ein ausreichendes Hörvermögen und, bei Betriebsbeamten, deren Dienst das Erkennen farbiger Signale erfordert, Farbentüchtigkeit. Ob diese Bedingungen erfüllt sind, soll durch einen von der Eisenbahnverwaltung bestellten Arzt festgestellt werden.
(3) Die Betriebsbeamten müssen
- 1.
ohne oder mit Sehhilfen (Brillen, Kontaktlinsen) eine Sehschärfe nach Snellen von mindestens 0,5 auf dem einen Auge und mindestens 0,3 auf dem anderen Auge haben,
- 2.
die Umgangssprache auf einem Ohr mindestens auf fünf Meter und auf dem anderen Ohr mindestens auf drei Meter verstehen.
(4) Triebfahrzeugführer, Bediener von Kleinlokomotiven, Führer von Nebenfahrzeugen, Heizer und Triebfahrzeugbegleiter, deren Sehschärfe ohne oder mit Sehhilfe auf einem Auge erstmals 0,5 unterschreitet, dürfen in ihrer Tätigkeit belassen werden, wenn die Minderung der Sehschärfe nicht auf ein fortschreitendes Augenleiden zurückzuführen ist.
(5) Die Eisenbahnen haben zu überwachen, daß Sehvermögen, Farbentüchtigkeit und Hörvermögen, wie es in den Absätzen 2 bis 4 vorgeschrieben ist, vorhanden sind.
(6) Die Betriebsbeamten müssen die besonderen Eigenschaften haben, die ihr Dienst erfordert; dies kann durch Eignungsuntersuchungen festgestellt werden.
(7) Ausnahmen von den in den Absätzen 1, 3 und 4 genannten Anforderungen sind bei besonderen Verhältnissen oder bei einfachen Betriebsverhältnissen zulässig (§ 3 Abs. 1 Nr. 2).
(1) Den Betriebsbeamten sind die Kenntnisse und Fertigkeiten zu vermitteln, die sie zur ordnungsgemäßen Ausübung ihres Dienstes befähigen.
(2) Die Eisenbahnen haben sich durch Prüfungen oder in sonst geeigneter Weise vom Vorhandensein der geforderten Kenntnisse und Fertigkeiten zu überzeugen. Hierüber sind Nachweise zu führen.
(3)
(1) Die Bahnanlagen und Fahrzeuge dürfen von Personen, die nicht amtlich dazu befugt sind, nur insoweit betreten oder benutzt werden, als sie dem allgemeinen Verkehrsgebrauch dienen oder ein besonderes Nutzungsverhältnis dazu berechtigt.
(2) Der Aufenthalt innerhalb der Gleise ist nicht gestattet, es sei denn, daß dies zur Erfüllung amtlicher Aufgaben erforderlich oder im Rahmen eines Nutzungsverhältnisses zugelassen worden ist.
(3) Bahnübergänge von Privatwegen ohne öffentlichen Verkehr, die als solche gekennzeichnet sind, dürfen nur von den Berechtigten und nur unter den dafür festgelegten Bedingungen benutzt werden. Bei Annäherung an diese Bahnübergänge und bei ihrer Benutzung ist besondere Aufmerksamkeit anzuwenden.
(4) Bahnübergänge von Privatwegen mit öffentlichem Verkehr dürfen Personen nur anlegen und dem öffentlichen Verkehr überlassen, sofern sie dies mit dem Bahnunternehmer vereinbart haben und ihnen obliegende Sicherungsmaßnahmen durchführen.
(1) Das Ein- und Aussteigen ist nur an den dazu bestimmten Stellen und nur an der dazu bestimmten Seite der Fahrzeuge gestattet.
(2) Von den Gleisen ist ein genügender Abstand zu halten. Geschlossene Absperrungen an Übergängen für Reisende gelten als Verbot, die Gleise zu überschreiten, auch wenn die Absperrungen zwischen oder hinter den Gleisen angebracht sind.
(3) Solange sich ein Fahrzeug bewegt, ist es verboten, die Außentüren zu öffnen, ein- oder auszusteigen, die Trittbretter zu betreten und sich auf den Plattformen aufzuhalten, soweit dies nicht ausdrücklich gestattet ist.
(4) Es ist untersagt, aus den Wagen Gegenstände zu werfen, die jemanden verletzen oder eine Sache beschädigen können.
(5) Bei einem außerplanmäßigen Halt dürfen die Reisenden nur mit Zustimmung des Zugpersonals aussteigen. Sie müssen dessen Weisungen für das weitere Verhalten Folge leisten.
Es ist verboten, Bahnanlagen, Betriebseinrichtungen oder Fahrzeuge zu beschädigen oder zu verunreinigen, Schranken oder sonstige Sicherungseinrichtungen unerlaubt zu öffnen, Fahrthindernisse zu bereiten oder andere betriebsstörende oder betriebsgefährdende Handlungen vorzunehmen.
Die Vorschriften der §§ 62 bis 64 gelten nicht für Bedienstete der Eisenbahnen in Ausübung ihres Dienstes.
(1) Ordnungswidrig im Sinne des § 28 des Allgemeinen Eisenbahngesetzes handelt, wer vorsätzlich
- 1.
(weggefallen)
- 2.
an einer nicht dazu bestimmten Seite eines Fahrzeugs oder an einer nicht dazu bestimmten Stelle einsteigt oder aussteigt,
- 3.
einsteigt oder aussteigt, ein Trittbrett betritt oder sich ohne ausdrückliche Gestattung auf einer Plattform aufhält, solange sich das Fahrzeug bewegt,
- 4.
eine Bahnanlage, eine Betriebseinrichtung oder ein Fahrzeug verunreinigt oder
- 5.
bei einem außerplanmäßigen Halt ohne Zustimmung des Zugpersonals aussteigt oder Weisungen des Zugpersonals für das weitere Verhalten nicht Folge leistet.
(2) Ordnungswidrig im Sinne des § 28 des Allgemeinen Eisenbahngesetzes handelt auch, wer vorsätzlich oder fahrlässig
- 1.
ohne amtliche Befugnis eine Bahnanlage oder ein Fahrzeug insoweit betritt oder benutzt, als sie nicht dem allgemeinen Verkehrsgebrauch dient oder als kein besonderes Nutzungsverhältnis dazu berechtigt,
- 2.
sich innerhalb der Gleise aufhält, ohne daß dies zur Erfüllung amtlicher Aufgaben erforderlich oder im Rahmen eines Nutzungsverhältnisses zugelassen ist,
- 3.
eine Außentür öffnet, solange sich das Fahrzeug bewegt,
- 4.
eine Sache aus dem Wagen wirft, die geeignet ist, einen anderen zu verletzen oder eine Sache zu beschädigen,
- 5.
eine Schranke oder eine sonstige Sicherungseinrichtung unerlaubt öffnet, ein Fahrthindernis bereitet oder eine andere betriebsstörende oder betriebsgefährdende Handlung vornimmt oder
- 6.
den Bahnübergang eines Privatwegs mit öffentlichem Verkehr anlegt und dem öffentlichen Verkehr überläßt, ohne dies mit dem Bahnunternehmer vereinbart oder ihm obliegende Sicherungsmaßnahmen durchgeführt zu haben.
(3) Die Zuständigkeit für die Verfolgung und Ahndung von Ordnungswidrigkeiten nach den Absätzen 1 und 2 wird im Bereich der Eisenbahnen des Bundes auf die in der Rechtsverordnung nach § 58 Abs. 1 des Bundespolizeigesetzes bestimmte Bundespolizeibehörde übertragen.
Strecken, die am 1. Dezember 2012 die Voraussetzungen nach § 15 Absatz 2 nicht erfüllen, sind bis zum Ablauf des 31. Dezember 2014 nachzurüsten. Bis zur Erfüllung der Ausrüstungsanforderungen nach § 15 Absatz 2 haben die Eisenbahnen anderweitige Maßnahmen zu treffen, die die sichere Betriebsführung gewährleisten.
(1) Diese Verordnung tritt am 28. Mai 1967 in Kraft.
(2)
Am gleichen Tag treten außer Kraft
- 1.
- 2.
- 3.
-
die Eisenbahn-Befähigungsverordnung (EBefVO) vom 22. August 1957 (Bundesgesetzbl. II S. 1234).
Die Befähigungsanforderungen für das Personal der unter die Eisenbahn-Bau- und Betriebsordnung für Schmalspurbahnen (BOS) vom 25. Juni 1943 (Reichsgesetzbl. II S. 285) fallenden Eisenbahnen richten sich bis zum Inkrafttreten einer Neuregelung nach den §§ 48 bis 54 und § 60 Abs. 3 dieser Verordnung.
Fussnoten:
§ 66 Abs. 2 Nr. 3 Satz 2 Kursivdruck: Jetzt ESBO v. 25.2.1972 933-11
Der Bundesminister für Verkehr
(Fundstelle: BGBl I 1991, Nr. 30 Anlageband S. 2 - 5)
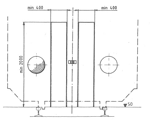
Bild 1
Regellichtraum
in der Geraden und in Bogen
bei Radien von 250 m und mehr
Die Maße beziehen sich auf die Verbindungslinie der Schienen- oberkanten (SO) in Sollage; die Mittellinie steht senkrecht auf der Verbindungslinie.
|
Unterer Teil der Grenzlinie siehe Bild 2
|
Zu Bild 1
Bereich A:
Zulässig sind Einragungen von baulichen Anlagen, wenn es der Bahnbetrieb erfordert (z. B. Bahnsteige, Rampen, Rangiereinrichtungen, Signalanlagen), sowie Einragungen bei Bauarbeiten, wenn die erforderlichen Sicherheitsmaßnahmen getroffen sind.
Bereich B:
Zulässig sind Einragungen bei Bauarbeiten, wenn die erforderlichen Sicherheitsmaßnahmen getroffen sind.
_____________________________
- 1)
Bei Gleisen, auf denen ausschließlich Stadtschnellbahnfahrzeuge verkehren, dürfen die Maße um 100 mm verringert werden. In Tunneln sowie unmittelbar angrenzenden Einschnittsbereichen ist die Verringerung der halben Breite des Regellichtraums auf 1900 mm zulässig, sofern besondere Fluchtwege vorhanden sind. Die Neigung der Schrägen ändert sich nicht.
- 2)
Bei Gleisen, auf denen überwiegend Stadtschnellbahnfahrzeuge verkehren, 960 mm.
- 3)
Den Grenzlinien liegen die Bezugslinie G 2, der Regelwert so= 0,4 des Neigungskoeffizienten eines Fahrzeugs und folgende bautechnische Einflußgrößen zugrunde:
| |
|
große Grenzlinie
|
kleine Grenzlinie
|
|
| |
|
|
|
|
|
|
| Radius (r)
|
|
250
|
m
|
ₒₒ
|
|
|
| Überhöhung (u)
|
|
160
|
mm
|
50
|
mm
|
|
| Überhöhungsfehlbetrag (uf)
|
|
150
|
mm
|
50
|
mm
|
|
| Spurbreite (l)
|
|
1470
|
mm
|
1445
|
mm
|
|
| Ausrundungsradius bei Neigungswechsel (ra)
|
|
2000
|
m
|
2000
|
m
|
|
| Hebungsreserve
|
|
50
|
mm
|
50
|
mm
|
|
| Schienenabnutzung
|
|
10
|
mm
|
10
|
mm
|
|
| |
|
|
|
|
|
|
| Bei Gleisen mit Oberleitung zusätzlich:
|
|
|
|
|
|
|
| Arbeitshöhe der Stromabnehmer
|
|
5600
|
mm
|
5600
|
mm
|
|
| Mindestabstand von der Oberleitung (15 kV Wechselstrom)
|
|
150
|
mm
|
150
|
mm
|
|
| |
|
|
|
|
|
|
- 4)
Den Grenzlinien bei Oberleitung liegt der Neigungskoeffizient so= 0,225 eines Triebfahrzeuges und das halbe Breitenmaß eines Stromabnehmers von 975 mm zugrunde.
Zu Bild 1
Tabelle 1
Maße des Regellichtraums bei Oberleitung in Gleisbogen mit Radien von 250 m und mehr
| Stromart
|
Nenn- spannung
|
Mindest- höhe
|
Halbe Mindestbreite b im Arbeitshöhenbereich des Stromabnehmers über SO
|
Abschrägung der Ecken
|
| |
|
a
|
≤ 5300
|
über 5300 bis 5500
|
über 5500 bis 5900
|
über 5900 bis 6500
|
c
|
d
|
| |
kV
|
mm
|
| Wechsel-
|
15
|
5200
|
1430
|
1440
|
1470
|
1510
|
300
|
400
|
| strom
|
25
|
5340
|
1500
|
1510
|
1540
|
1580
|
335
|
447
|
| Gleich-
|
bis 1,5
|
5000
|
1315
|
1325
|
1355
|
1395
|
250
|
350
|
| strom
|
3
|
5030
|
1330
|
1340
|
1370
|
1410
|
250
|
350
|
Tabelle 2
Vergrößerung des Regellichtraums in Gleisbogen mit Radien unter 250 m
| Bogenradius
|
Erforderliche Vergrößerung der halben Breitenmaße
|
| |
des Regellichtraums
|
des Regellichtraums
|
| |
an der Bogen- innenseite
|
an der Bogen- außenseite
|
bei Oberleitung
|
| m
|
mm
|
| 250
|
0
|
0
|
0
|
| 225
|
25
|
30
|
10
|
| 200
|
50
|
65
|
20
|
| 190
|
65
|
80
|
25
|
| 180
|
80
|
100
|
30
|
| 150
|
135
|
170
|
50
|
| 120
|
335
|
365
|
80
|
| 100
|
530
|
570
|
110
|
Zwischenwerte dürfen geradlinig eingeschaltet werden.
Bild 2
Unterer Teil der Grenzlinie
- a)
bei Gleisen, die von allen Fahrzeugen befahren werden dürfen
- b)
bei Gleisen, die ausschließlich von Fahrzeugen befahren werden, die die Bezugslinie der Anlagen 7 und 8 Bilder 2 einhalten
a ≥ 150 mm für unbewegliche Gegenstände, die nicht fest mit der Schiene verbunden sind.
a ≥ 135 mm für unbewegliche Gegenstände, die fest mit der Schiene verbunden sind.
b = 41 mm für Einrichtungen, die das Rad an der inneren Stirnfläche führen.
b ≥ 45 mm an Bahnübergängen und Übergängen (§ 11 Abs. 1)
b ≥ 70 mm für alle übrigen Fälle.
z = Ecken, die ausgerundet werden dürfen.
Die Höhenmaße der Grenzlinien beziehen sich auf die Verbindungslinie der Schienenoberkanten (SO) in Istlage (Berücksichtigung der Schienenabnutzung).
Bereich C:
Raum für das Durchrollen der Räder. Zulässig sind Einragungen von Einrichtungen und Geräten, wenn es deren Zweck erfordert (z. B. Rangiereinrichtungen).
(Fundstelle: BGBl. I 1991, Nr. 30 Anlageband S. 6 - 9)
1 Die halben Breitenmaße der Grenzlinie für feste Anlagen sind durch Addition folgender horizontal wirkender Einflußgrößen zu berechnen:
1.1 Halbes Breitenmaß der Bezugslinie G 2; Vergrößerungen der Bezugslinie für Fahrzeuge gemäß § 22 Abs. 2 sind zu berücksichtigen.
1.2 Überschreitungen der Bezugslinie, die sich aus der Verschiebung infolge der Stellung eines Fahrzeugs im Gleisbogen und unter Berücksichtigung der Spurweite des Gleises ergibt (Ausladung).
1.3 Verschiebung aus quasistatischer Seitenneigung, die sich beim Stand eines Fahrzeugs in einem Gleis mit Überhöhung oder bei Fahrt in einem Gleisbogen mit Überhöhungsfehlbetrag ergibt, wobei nur der Wert in Ansatz gebracht wird, der den bereits in der Bezugslinie enthaltenen Anteil von 50 mm übersteigt.
1.4 Zufallsbedingte Verschiebungen aus
- a)
Gleislageunregelmäßigkeiten,
- b)
Schwingungen infolge der Wechselwirkung zwischen Fahrzeug und Gleis und
- c)
dem Einfluß der Unsymmetrie bis zu 1 Grad, die sich aus den Bau- und Einstellungstoleranzen der Fahrzeuge und einer ungleichmäßigen Lastverteilung ergibt.
Hierbei darf die geringe Wahrscheinlichkeit des gleichzeitigen Auftretens aller ungünstigen Einflüsse berücksichtigt werden.
2 Die Verschiebungen nach 1.2 bis 1.4 dürfen bei Geschwindigkeiten bis 160 km/h auch nach den folgenden Tabellen ermittelt werden:
2.1 Ausladung (zu 1.2)
2.1.1. bei Radien von 250 m und mehr
Radius m
|
Ausladung mm
|
| Spurweite
|
Spurweite
|
| ≤ 1445 mm
|
≤ 1470 mm
|
| 250
|
20
|
33
|
| 300
|
18
|
30
|
| 400
|
14
|
27
|
| 500
|
13
|
25
|
| 600
|
11
|
24
|
| 800
|
10
|
22
|
| 1000
|
9
|
21
|
| 2000
|
7
|
20
|
| 3000
|
6
|
19
|
|
ₒₒ
|
5
|
18
|
2.1.2 bei Radien unter 250 m
Radius m
|
Ausladung mm
|
| Bogeninnenseite
|
Bogenaußenseite
|
| 225
|
55
|
60
|
| 200
|
85
|
95
|
| 190
|
95
|
110
|
| 180
|
110
|
130
|
| 170
|
130
|
145
|
| 150
|
165
|
195
|
| 120
|
365
|
395
|
| 100
|
560
|
600
|
Für Höhen bis 400 mm über SO dürfen die Tabellenwerte um 5 mm verringert werden.
Zu 2.1.1 und 2.1.2:
Zwischenwerte dürfen geradlinig eingeschaltet werden.
2.2 Verschiebung aus quasistatischer Seitenneigung (zu 1.3)
Höhe der Bezugslinie
|
Verschiebung *) bei Überhöhung oder Überhöhungsfehlbetrag mm
|
| 50
|
75
|
100
|
130
|
150
|
160
|
| mm
|
mm
|
| 4680
|
0
|
28
|
56
|
90
|
112
|
123
|
| 3835
|
0
|
23
|
45
|
72
|
89
|
98
|
| 3530
|
0
|
21
|
41
|
65
|
81
|
89
|
| 1170
|
0
|
5
|
9
|
15
|
18
|
20
|
| ≤ 400
|
0
|
0
|
0
|
0
|
0
|
0
|
Zwischenwerte dürfen geradlinig eingeschaltet werden.
*)2.3 Zufallsbedingte Verschiebung (zu 1.4)
| |
Verschiebung
|
Höhe der Bezugslinie
|
bei nicht festgelegtem Gleis
|
bei festgelegtem Gleis
|
bei festgelegtem Gleis und einem Überhöhungs- oder Querhöhenfehler ≤ 5 mm
|
| |
a
|
b
|
a
|
b
|
a
|
b
|
| mm
|
mm
|
| 4680
|
110
|
140
|
106
|
137
|
78
|
116
|
| 3835
|
91
|
114
|
85
|
110
|
62
|
93
|
| 3530
|
84
|
104
|
78
|
100
|
57
|
84
|
| 1170
|
37
|
40
|
21
|
25
|
14
|
19
|
| ≤ 400
|
30
|
31
|
6
|
6
|
2
|
3
|
a: Auf der Bogeninnenseite
b: Auf der Bogenaußenseite und im geraden Gleis
3 Die Höhenmaße der Grenzlinie sind — ausgenommen im Bereich ≤ 125 mm — aus den Höhenmaßen der Bezugslinie G 2 zu berechnen und
3.1 im Bereich ≥ 3530 mm zu vergrößern um
- a)
den Einfluß des Wechsels der Längsneigung und
- b)
die Hebungsreserve für die Unterhaltung des Gleises,
3.2 im Bereich ≤ 1170 mm zu vermindern um
- a)
den Einfluß des Wechsels der Längsneigung und
- b)
die Abnutzung der Schienen und das Absinken des Gleises im Betrieb.
Zu 3.1 und 3.2:
Der Einfluß des Wechsels der Längsneigung wird wie folgt berechnet:
50 000 ra
|
[mm]
|
| |
|
| ra = Ausrundungsradius in m
|
| |
4 Für die Höhenmaße der Grenzlinie im Bereich ≤ 125 mm gilt Anlage 1 Bild 2.
5 Bei Geschwindigkeiten von mehr als 160 km/h sind aerodynamische Einflüsse zu berücksichtigen.
*) Bei einem Neigungskoeffizienten s = 0,4
(Fundstelle: BGBl. I 1991, Nr. 30 Anlageband S. 10 - 12)
1 Die halben Breitenmaße der Grenzlinie bei Oberleitung sind durch Addition folgender horizontal wirkender Einflußgrößen zu berechnen:
1.1 Halbes Breitenmaß des Stromabnehmers,
1.2 Schwingung des Stromabnehmers,
1.3 Auslenkung des Stromabnehmers im Gleisbogen,
1.4 Verschiebung infolge der Stellung eines Fahrzeugs im Gleisbogen und unter Berücksichtigung der Spurweite des Gleises (Ausladung),
1.5 Verschiebung aus quasistatischer Seitenneigung, die sich beim Stand eines Fahrzeugs in einem Gleis mit Überhöhung oder bei Fahrt in einem Gleisbogen mit Überhöhungsfehlbetrag ergibt, wobei nur der Wert in Ansatz gebracht wird, der den bereits in 1.2 enthaltenen Anteil von 66 mm überschreitet,
1.6 Zufallsbedingte Verschiebungen aus Gleislageunregelmäßigkeiten; hierbei darf die geringe Wahrscheinlichkeit des gleichzeitigen Auftretens aller ungünstigen Einflüsse berücksichtigen werden.
1.7 Mindestabstand von der Oberleitung
Nennspannung kV
|
Abstand *) mm
|
| Wechselstrom
|
15
|
150
|
(100)
|
| Wechselstrom
|
25
|
220
|
(150)
|
| Gleichstrom
|
1,5
|
35
|
(25)
|
| Gleichstrom
|
3
|
50
|
(35)
|
*)2 Die Verschiebungen nach 1.2 bis 1.6 dürfen bei Geschwindigkeiten bis 160 km/h auch nach den folgenden Tabellen ermittelt werden:
2.1 Schwingung und Auslenkung (zu 1.2 und 1.3)
Arbeitshöhe des Stromabnehmers mm
|
Verschiebung *) mm
|
| 6500
|
170
|
| 5000
|
110
|
Zwischenwerte dürfen geradlinig eingeschaltet werden.
*)2.2 Ausladung bei Radien von 100 m und mehr (zu 1.4)
Radius m
|
Ausladung mm
|
| Spurweite
|
Spurweite
|
| ≤ 1445 mm
|
≤ 1470 mm
|
| 100
|
|
43
|
| 120
|
|
39
|
| 150
|
|
34
|
| 200
|
|
30
|
| 250
|
15
|
28
|
| 300
|
13
|
26
|
| 400
|
11
|
24
|
| 500
|
10
|
23
|
| 600
|
9
|
22
|
| 800
|
8
|
21
|
| 1000
|
8
|
20
|
| 2000
|
6
|
19
|
| 3000
|
6
|
18
|
|
ₒₒ
|
5
|
18
|
Zwischenwerte dürfen geradlinig eingeschaltet werden.
2.3 Verschiebung aus quasistatischer Seitenneigung (zu 1.5)
Arbeitshöhe des Stromabnehmers
|
Verschiebung *) bei Überhöhung oder Überhöhungsfehlbetrag mm
|
| 66
|
100
|
130
|
150
|
160
|
| mm
|
mm
|
| 6500
|
0
|
31
|
58
|
76
|
85
|
| 5000
|
0
|
23
|
44
|
57
|
64
|
Zwischenwerte dürfen geradlinig eingeschaltet werden.
*)2.4 Zufallsbedingte Verschiebungen (zu 1.6)
Arbeitshöhe des Stromabnehmers
|
Verschiebung
|
| |
bei nicht festgelegtem Gleis
|
bei festgelegtem Gleis
|
bei festgelegtem Gleis und einem Überhöhungs- oder Querhöhenfehler ≤ 5 mm
|
| mm
|
mm
|
| 6500
|
99
|
95
|
32
|
| 6000
|
92
|
87
|
29
|
| 5500
|
85
|
80
|
27
|
| 5000
|
79
|
73
|
25
|
Zwischenwerte dürfen geradlinig eingeschaltet werden.
3 Mindestfahrdrahthöhe über Schienenoberkante
Nennspannung kV
|
Höhe mm
|
| Wechselstrom
|
15
|
4950
|
| Wechselstrom
|
25
|
5020
|
| Gleichstrom
|
1,5
|
4850
|
| Gleichstrom
|
3
|
4865
|
*) Die Werte in Klammern dürfen nur bei vorübergehender Annäherung des Stromabnehmers an ortsfeste Bauteile angewendet werden.*) Bei einem Neigungskoeffizienten s = 0,225
(Fundstelle: BGBl. I 1991, Nr. 30 Anlageband S. 13 - 14)
1 Der Mindestgleisabstand ist durch Addition der halben Breitenmaße der Grenzlinien zu berechnen.
2.1 Der Mindestgleisabstand darf auch wie folgt ermittelt werden:
| Radius
|
Mindestgleisabstand bei einer Geschwindigkeit von km/h
|
| 160
|
140
|
120
|
100
|
80
|
70
|
60
|
50
|
40
|
30
|
| m
|
m
|
| 2100
|
3,50
|
3,50
|
3,50
|
3,50
|
3,50
|
3,50
|
3,50
|
3,50
|
3,50
|
3,50
|
| 1600
|
3,54
|
3,50
|
▼
|
|
|
|
|
|
|
|
|
|
|
|
|
|
|
| 1300
|
3,58
|
3,53
|
3,50
|
|
|
|
|
|
|
|
|
|
|
|
|
|
|
| 1100
|
3,61
|
3,56
|
3,51
|
|
|
|
|
|
|
|
|
|
|
|
|
|
|
| 950
|
|
|
3,59
|
3,53
|
▼
|
|
|
|
|
|
|
|
|
|
|
|
|
| 850
|
|
|
3,61
|
3,55
|
3,50
|
|
|
|
|
|
|
|
|
|
|
|
|
| 700
|
|
|
|
|
3,59
|
3,53
|
▼
|
|
|
|
|
|
|
|
|
|
|
| 600
|
|
|
|
|
3,62
|
3,55
|
3,50
|
|
|
|
|
|
|
|
|
|
|
| 500
|
|
|
|
|
|
|
3,59
|
3,52
|
▼
|
|
|
|
|
|
|
|
|
| 450
|
|
|
|
|
|
|
3,61
|
3,54
|
3,50
|
▼
|
|
|
|
|
|
|
| 400
|
|
|
|
|
|
|
|
|
3,55
|
3,52
|
3,50
|
▼
|
|
|
|
|
| 300
|
|
|
|
|
|
|
|
|
3,61
|
3,56
|
3,52
|
3,50
|
▼
|
|
|
| 250
|
|
|
|
|
|
|
|
|
|
|
3,60
|
3,55
|
3,51
|
3,50
|
▼
|
| 225
|
|
|
|
|
|
|
|
|
|
|
|
|
3,63
|
3,58
|
3,56
|
3,50
|
| 200
|
|
|
|
|
|
|
|
|
|
|
|
|
3,71
|
3,66
|
3,62
|
3,62
|
| 180
|
|
|
|
|
|
|
|
|
|
|
|
|
3,80
|
3,74
|
3,69
|
3,68
|
Zwischenwerte dürfen geradlinig eingeschaltet werden.
2.2 Hat das äußere Gleis eine größere Überhöhung (ua) als das innere Gleis (ui), so ist der Mindestgleisabstand zu vergrößern um
3,53 1,50
|
· ( ua - ui ) [mm]
|
| |
|
3 Bei Radien unter 250 m müssen die Gleisabstände von 4,00 m und 3,80 m (§ 10 Abs. 2) sowie von 4,00 m und 4,50 m (§ 10 Abs. 3) wie folgt vergrößert werden:
Radius m
|
Vergrößerung mm
|
| 250
|
0
|
| 225
|
55
|
| 200
|
120
|
| 180
|
180
|
| 170
|
215
|
| 150
|
305
|
| 120
|
700
|
| 100
|
1100
|
Zwischenwerte dürfen geradlinig eingeschaltet werden.
(Fundstelle: BGBl. I 1991, Nr. 30 Anlageband S. 15 - 19)
Bild 1
Andreaskreuz
|
- 1.
Wenn das Andreaskreuz nur für den Straßenverkehr in einer abzweigenden Richtung gelten soll, ist dies durch ein Zusatzschild mit schwarzem Pfeil zu kennzeichnen.
- 2.
Bei Gleisen mit elektrischer Fahrleitung sind die Andreaskreuze in der Mitte mit einem Blitzpfeil zu versehen.
- 3.
In Ortschaften oder bei beengten Verhältnissen sind Abweichungen vom Höhenmaß “~ 1 000" zulässig.
|
Bild 2
Lichtzeichen
| |
Farbfolge GELB-ROT
|
|
- 1.
Wenn Lichtzeichen nur für den Straßenverkehr in einer abzweigenden Richtung gelten sollen, sind sie in Pfeilform auszuführen. An Fußwegen dürfen die Lichtzeichen mit Fußgänger-Symbolen versehen werden.
- 2.
Zusätzlich zu den Lichtzeichen dürfen Wecker oder andere hörbare Zeichen verwendet werden.
- 3.
Bei mehrgleisigen Strecken sind Lichtzeichen nur in Verbindung mit Halbschranken oder Schranken zu verwenden.
- 4.
In Ortschaften oder bei beengten Verhältnissen darf das Andreaskreuz neben oder über dem Lichtzeichen angebracht sein. Bei Lichtzeichen für Fußwege darf auf das Andreaskreuz verzichtet werden.
|
| |
Siehe auch Erläuterungen zu Bild 1
|
Bild 3
Lichtzeichen mit Halbschranke oder Schranke
- 1.
Die Schrankenbäume müssen ausreichend erkennbar sein, solange sie bewegt werden oder geschlossen sind.
- 2.
Die Schraffen sind senkrecht auszuführen; sie dürfen bis zur Erneuerung schräg sein.
- 3.
Halbschranken sperren nur die Zufahrt auf den Bahnübergang; ihre Länge ist so zu bemessen, daß der Straßenverkehrsteilnehmer ungehindert den Bahnübergang räumen kann.
Siehe auch Erläuterungen zu den Bildern 1 und 2
Bild 4
Rotes Blinklicht
- 1.
Zusätzlich zum Blinklicht dürfen Wecker oder andere hörbare Zeichen verwendet werden.
- 2.
In Ortschaften oder bei beengten Verhältnissen darf das Andreaskreuz um 90° gedreht (quer) über dem Blinklicht angebracht und vom Höhenmaß “~ 2650” abgewichen werden.
- 3.
Ein Blinklicht in Pfeilform zeigt an, daß es nur für den Straßenverkehr in Richtung des Pfeiles gilt.
- 4.
Für besondere Blinklichter an Fußwegen sind Signalschirme mit einer Höhe von 400 mm und einer Breite von 500 mm zugelassen. Auf Andreaskreuze kann gemäß § 11 Abs. 3 verzichtet werden.
- 5.
An mehrgleisigen Strecken dürfen Bahnübergänge mit schachem Verkehr durch Blinklichter in Verbindung mit einer im Signalschirm angebrachten gelben Leuchtschrift “2 Züge” und Wecker oder andere hörbare Zeichen gesichert werden. Die zusätzlichen Sicherungen werden wirksam, wenn und solange der Bahnübergang für einen weiteren Zug gesperrt bleibt.
Siehe auch Erläuterungen zu Bild 1
Bild 5
Rotes Blinklicht mit Halbschranke
Siehe Erläuterungen zu den Bildern 1, 3 und 4
(Fundstelle: BGBl. I 1991, Nr. 30 Anlageband S. 20 - 21)
| Bezeichnung
|
Meßkreisdurchmesser der Räder
|
Mindestmaß
|
Höchstmaß
|
| Spurmaß (SR)
|
> 840
|
1 410*)
|
1 426
|
| - - - - - - - - - - - -
|
- - - - - - - - - -
|
- - - - - - - - - -
|
| 840 bis 330
|
1 415*)
|
1 426
|
| Abstand der inneren
|
> 840
|
1 357*)
|
1 363*)
|
| Stirnfläche (AR)
|
840 bis 330
|
1 359*)
|
1 363*)
|
| Radreifen-/Radkranzbreite (BR)
|
≥ 330
|
130*)
|
133*)
|
150
|
140*)
|
| Spurkranzdicke (Sd)
|
> 840
|
20
|
22*)
|
33
|
| 840 bis 330
|
27,5
|
33
|
| Spurkranzhöhe (Sh)
|
> 760
|
26
|
36
|
| 760 bis 330
|
32
|
38
|
Dicke des Radreifens in Meßkreisebene (Rd)
|
≥ 330
|
25
|
35*)
|
-
|
| Spurkranzflankenmaß (qR)
|
≥ 330
|
6,5*)
|
-
|
*)*)*)*)*)*)
1) Bei Zwischenradsätzen beträgt das Mindestmaß 1395 mm2) Nennmaß 1360 mm3) 133 mm, wenn Balkengleisbremsen wirksam werden sollen4) Fahrzeuge im grenzüberschreitenden Verkehr5) Reisezugwagen im grenzüberschreitenden Verkehr6) Maß zur Beurteilung der Spurkranzflankenabnutzung
(Fundstelle: BGBl. I 1991, Nr. 30 Anlageband S. 22 - 23)
Bezugslinie G 1
für Fahrzeuge, die auch im grenzüberschreitenden Verkehr
eingesetzt werden
Bild 1
| |
Unterer Teil der Bezugslinie siehe Bilder 2 und 3
|
|
Bild 2
Bezugslinie für die unteren Teile der Fahrzeuge
(ausgenommen besetzte Personenwagen)
Bild 3
Bezugslinie für die unteren Teile besetzter Personenwagen
(Fundstelle: BGBl. I 1991, Nr. 30 Anlageband S. 24 - 25)
Bezugslinie G 2
für Fahrzeuge, die nicht im grenzüberschreitenden Verkehr
eingesetzt werden
Bild 1
| * Zulässige Höhe für Fahrzeugteile, aus denen Dampf ausströmen kann
|
|
Unterer Teil der Bezugslinie Siehe Bilder 2 und 3
|
Bild 2
Bezugslinie für die unteren Teile der Fahrzeuge
Bild 3
Bezugslinie für die unteren Teile der Fahrzeuge, die nicht über Gleise fahren dürfen, deren Einrichtungen nach der Grenzlinie für feste Anlagen gemäß Anlage 1 Bild 2 Buchstabe b bemessen sind (Ablaufberge, Rangiereinrichtungen).
(Fundstelle: BGBl. I 1991, Nr. 30 Anlageband S. 26)
- 1.
Für die Berechnung der Fahrzeugabmessungen sind die Maße der Bezugslinien (Anlage 7 und 8) einzuschränken um die Einflüsse aus:
- 1.1
den horizontalen Verschiebungen, die sich aus den Querspielen zwischen Fahrzeugaufbau und den Radsätzen sowie aus der Stellung der Radsätze im Gleisbogen und in der Geraden ergeben,
- 1.2
der Veränderung der Fahrzeughöhe infolge Abnutzung,
- 1.3
den senkrechten Ausschlägen,
- 1.4
der senkrechten Verschiebungen, die sich aus der Stellung des Fahrzeugs in Kuppen- und Wannenausrundungen ergibt,
- 1.5
der quasistatischen Seitenneigung, die sich bei Stand in einem Gleis mit 50 mm Überhöhung oder bei Fahrt in einem Gleisbogen mit 50 mm Überhöhungsfehlbetrag ergibt und
- 1.6
der über 1 Grad hinausgehender Unsymmetrie, die sich aus den Bau- und Einstellungstoleranzen des Fahrzeugs und der vorgesehenen Belastung ergibt.
- 2.
Die vorgenannten Einschränkungen dürfen wie folgt verringert werden:

l = Spurweite des Gleises; die Spurweite ist mit 1,465 m anzusetzen;
für Wagen mit Drehgestellen im Gleisborgen l = 1,435 m
(Fundstelle: BGBl. I 1991, Nr. 30 Anlageband S. 27)
- 1.
Die Pufferscheiben müssen so bemessen sein, daß die Puffer beim Durchfahren der in § 21 Abs. 1 genannten Gleisbogen nicht hintereinandergreifen können.
- 2.
Der in Blickrichtung auf die Stirnseite des Fahrzeugs linke Pufferteller muß gewölbt sein. Sind beide Pufferteller gewölbt, so darf der Wölbungsradius nicht kleiner als 1 500 mm sein.
- 3.
Die Pufferteller müssen einen Kreis mit dem Durchmesser von 370 mm überdecken, der oben und unten um jeweils 15 mm abgeflacht sein darf.
(Fundstelle: BGBl. I 1991, Nr. 30 Anlageband S. 28)